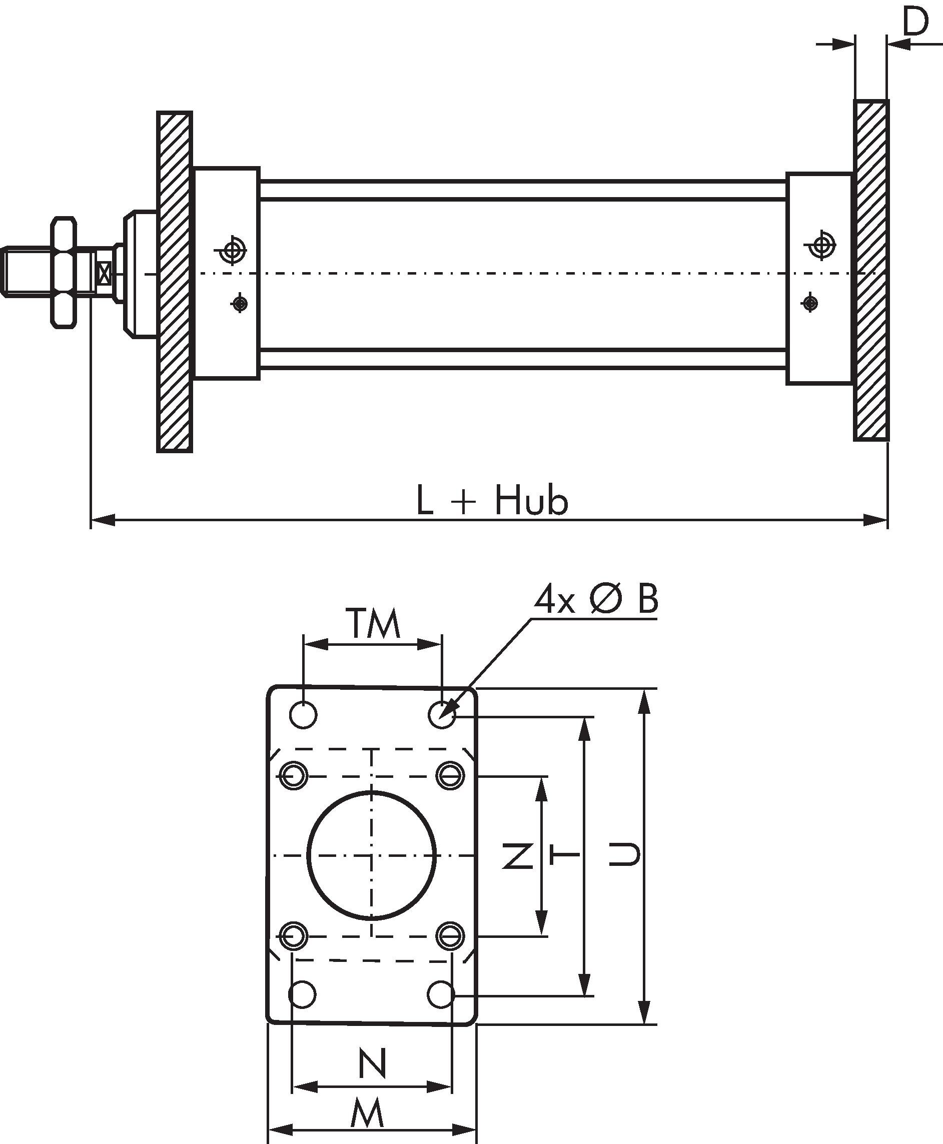
fixation par bride ISO 15552 63 mm, 1.4401

{{ $t('shop.all.artikelnummer') }}:

TB 63 ES

Possibilités de paiement:

Paiement à la livraison

Facture