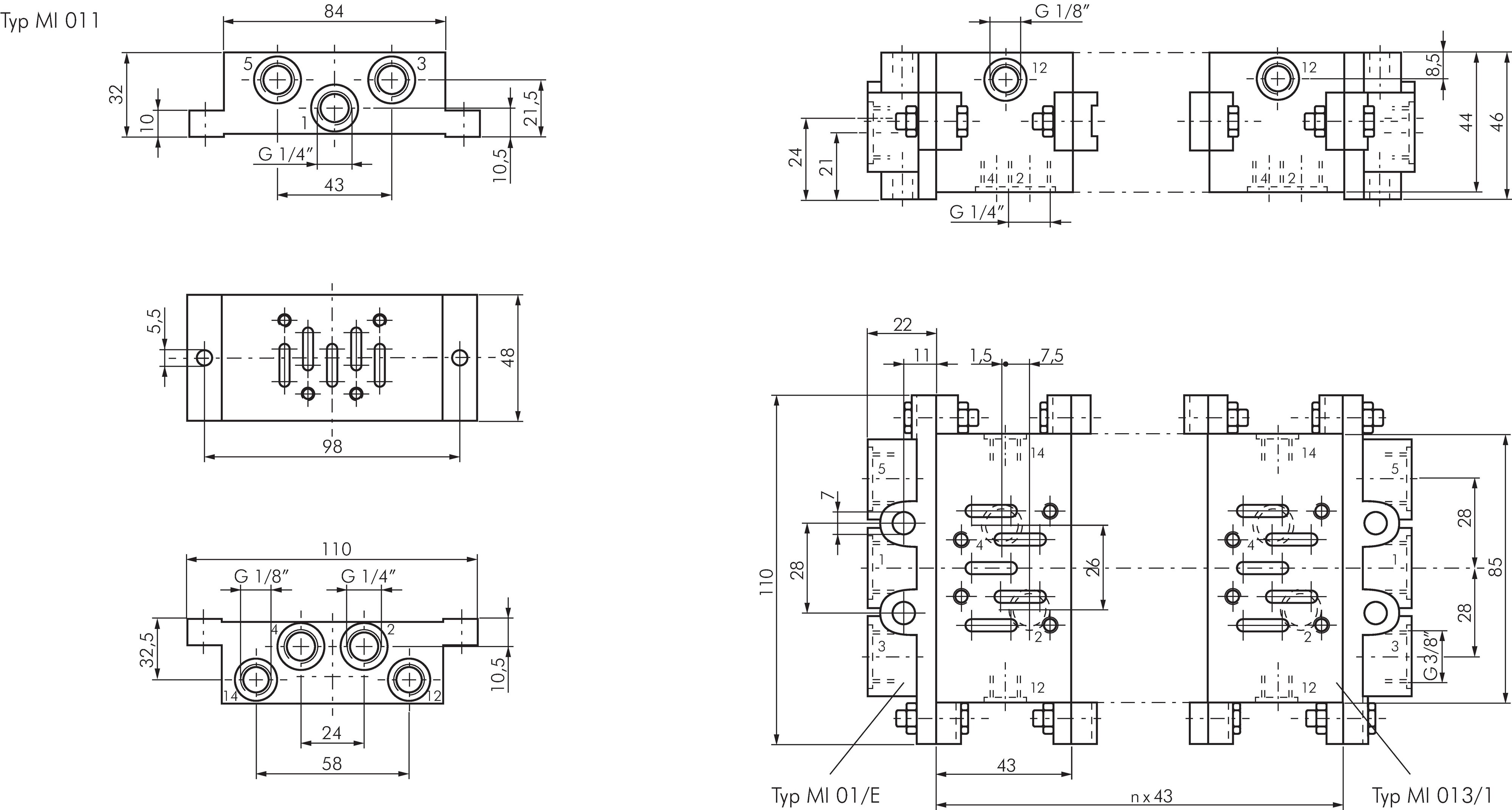
ISO 1 Plyta laczaca prosta, wyloty u dolu

{{ $t('shop.all.artikelnummer') }}:

MI 013/1

Akcesoria

Opcje płatności:

Pobranie

Rachunek