Artikelgruppe

Edelstahl-Flanschkugelhähne 3-teilig, mit vollem Durchgang, PN 16/40

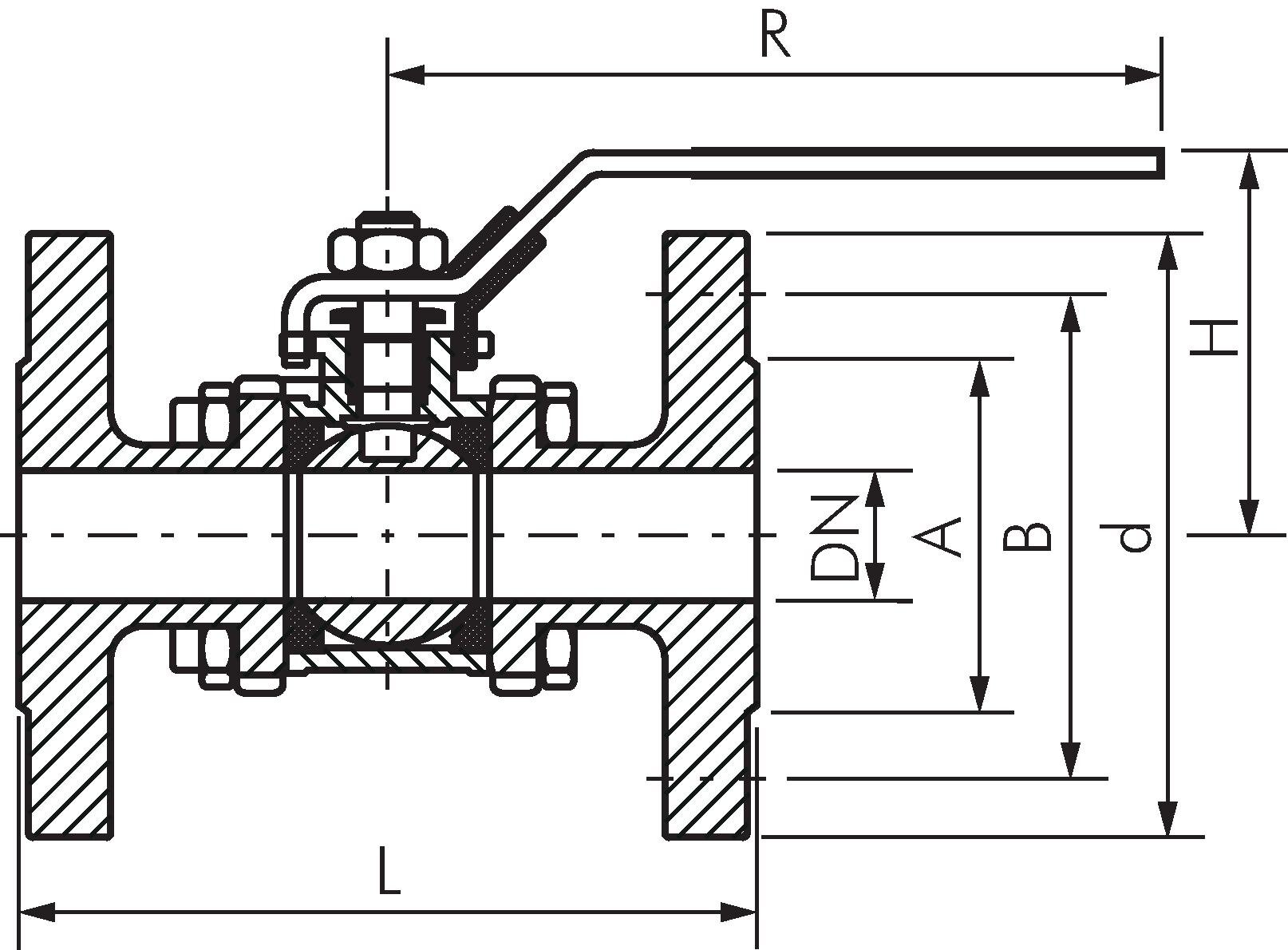
Exemplarische Darstellung: Edelstahl-Flanschkugelhahn (3-teilig)
Zahlungsmöglichkeiten:

Nachnahme

Rechnung