Item group

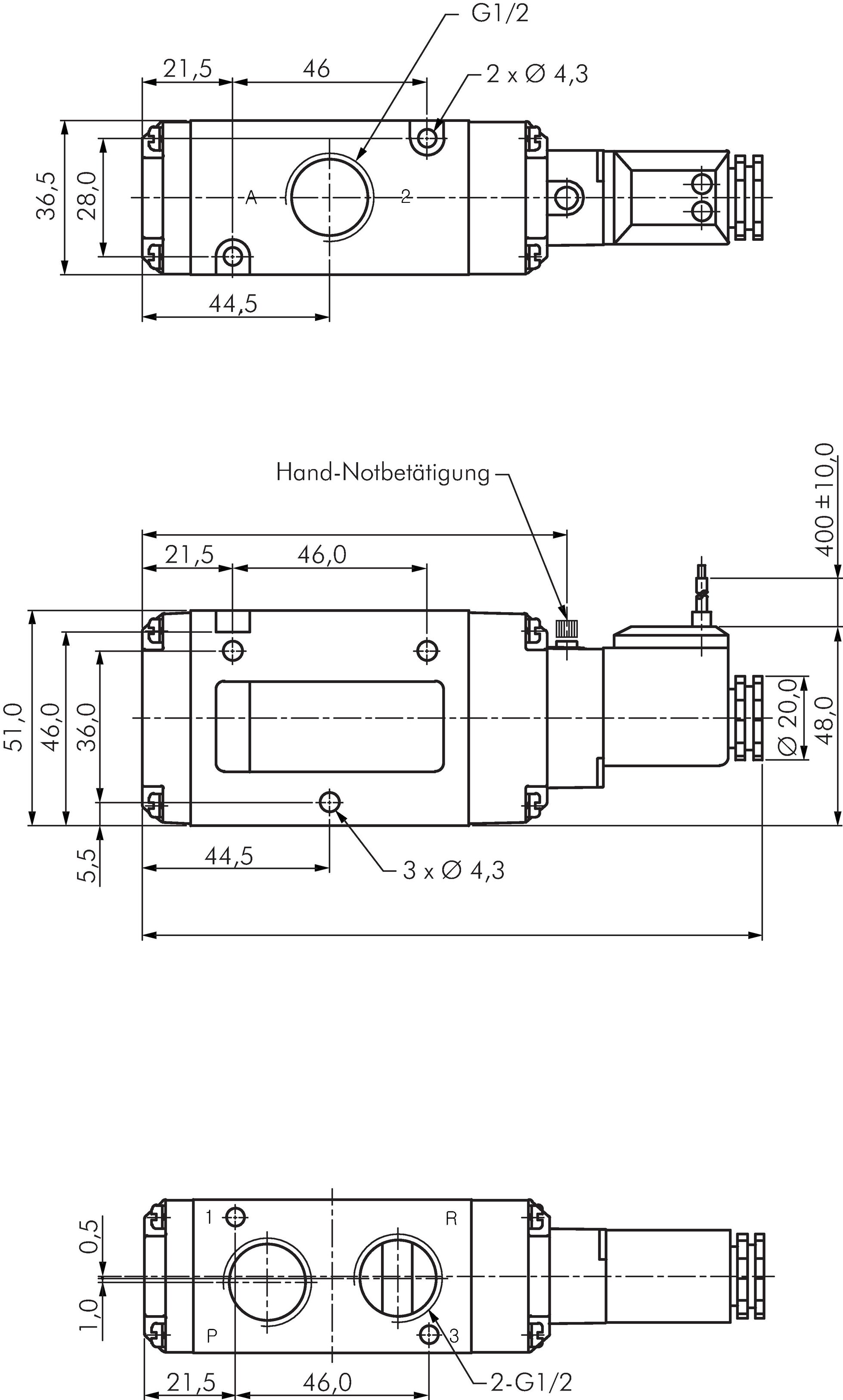
3/2-way solenoid valves G 1/2", Series SF6000

Exemplary representation: 3/2-directional solenoid valve Schematic symbol: 3/2-way solenoid valve, closed when de-energised (NC) Schematic symbol: 3/2-way solenoid valve, open when de-energised (NO)
Payment options:

Cash on delivery

Invoice