Item group

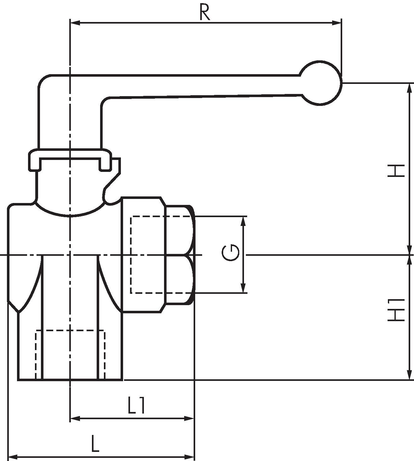
Angle ball valves, PN 20

Exemplary representation: Angle ball valve
Payment options:

Cash on delivery

Invoice