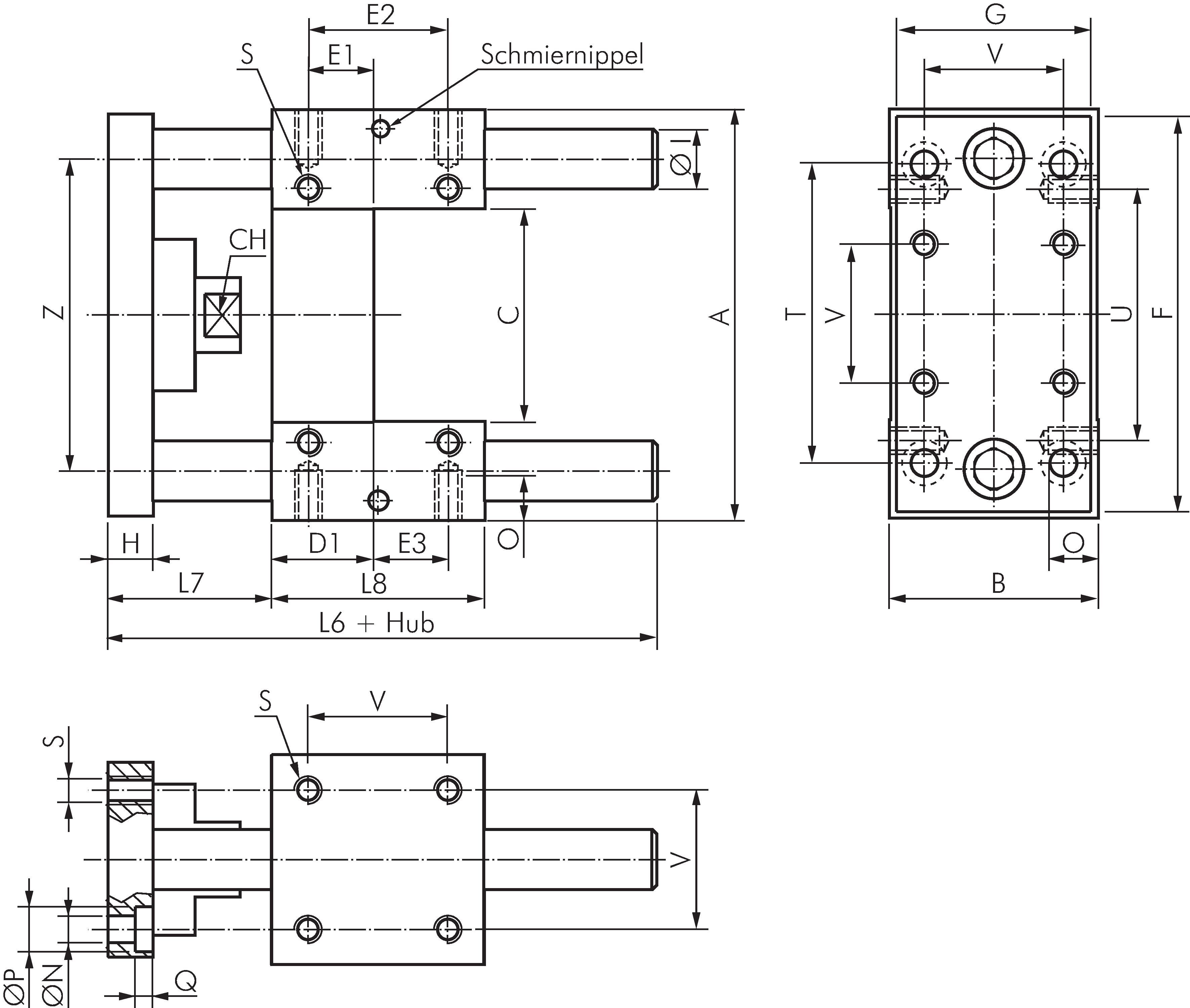
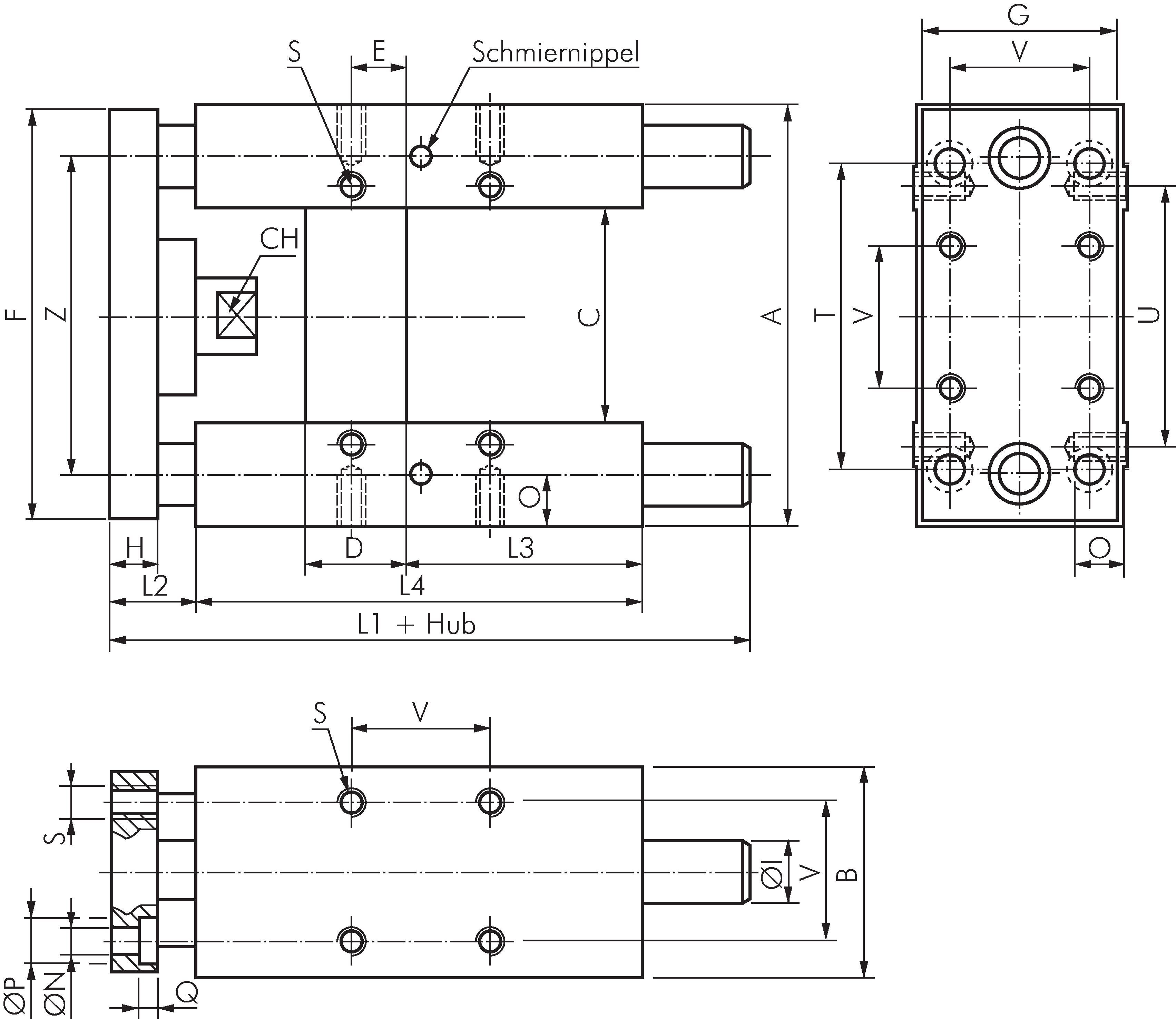
Item group

Guiding units, for pneumatic cylinders ISO 15552

Exemplary representation: Guide unit, type H Exemplary representation: Guide unit, type C
Payment options:

Cash on delivery

Invoice