Item group

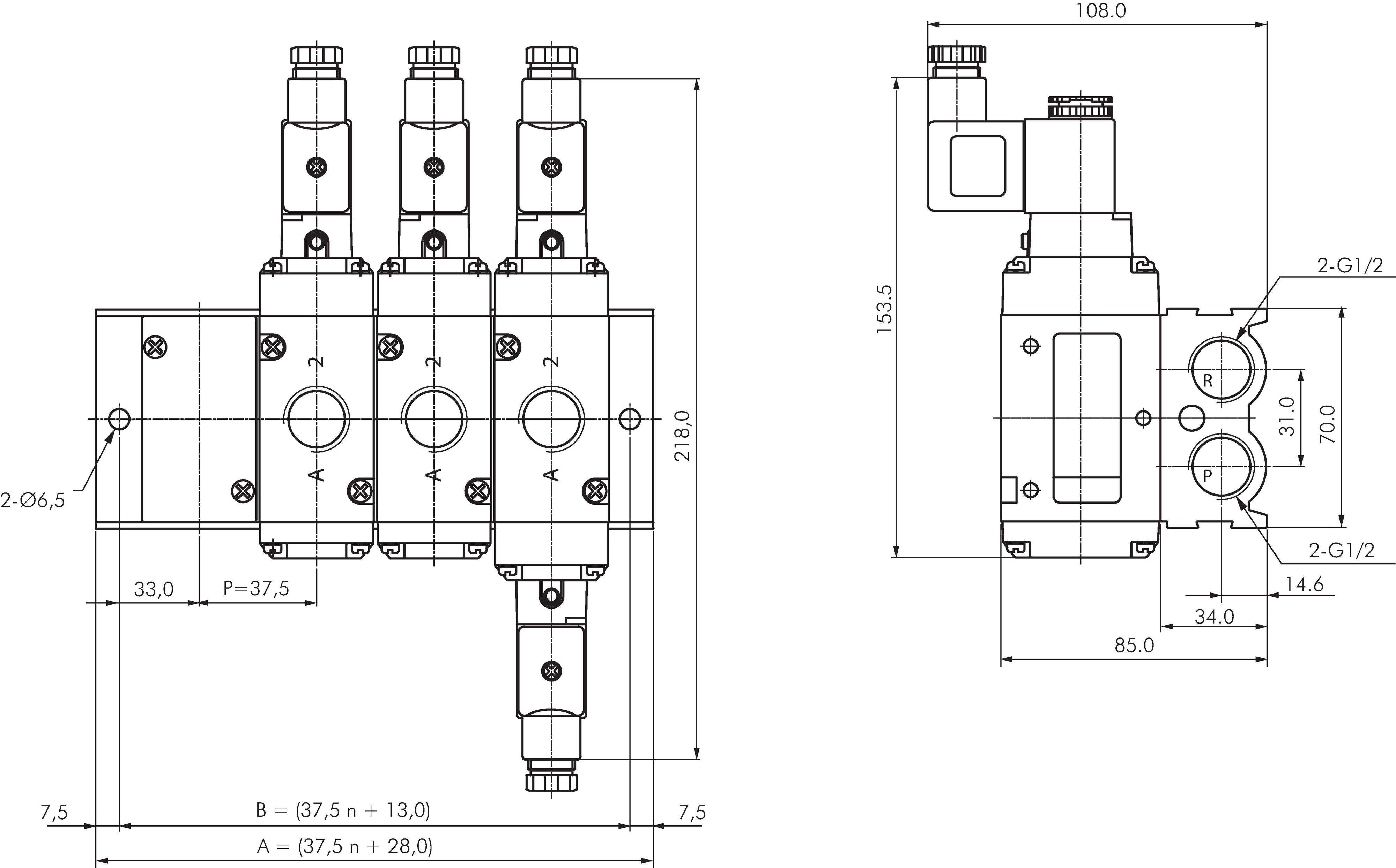
Manifolds, for model series SF6000

Exemplary representation: Manifold
Payment options:

Cash on delivery

Invoice