Item group

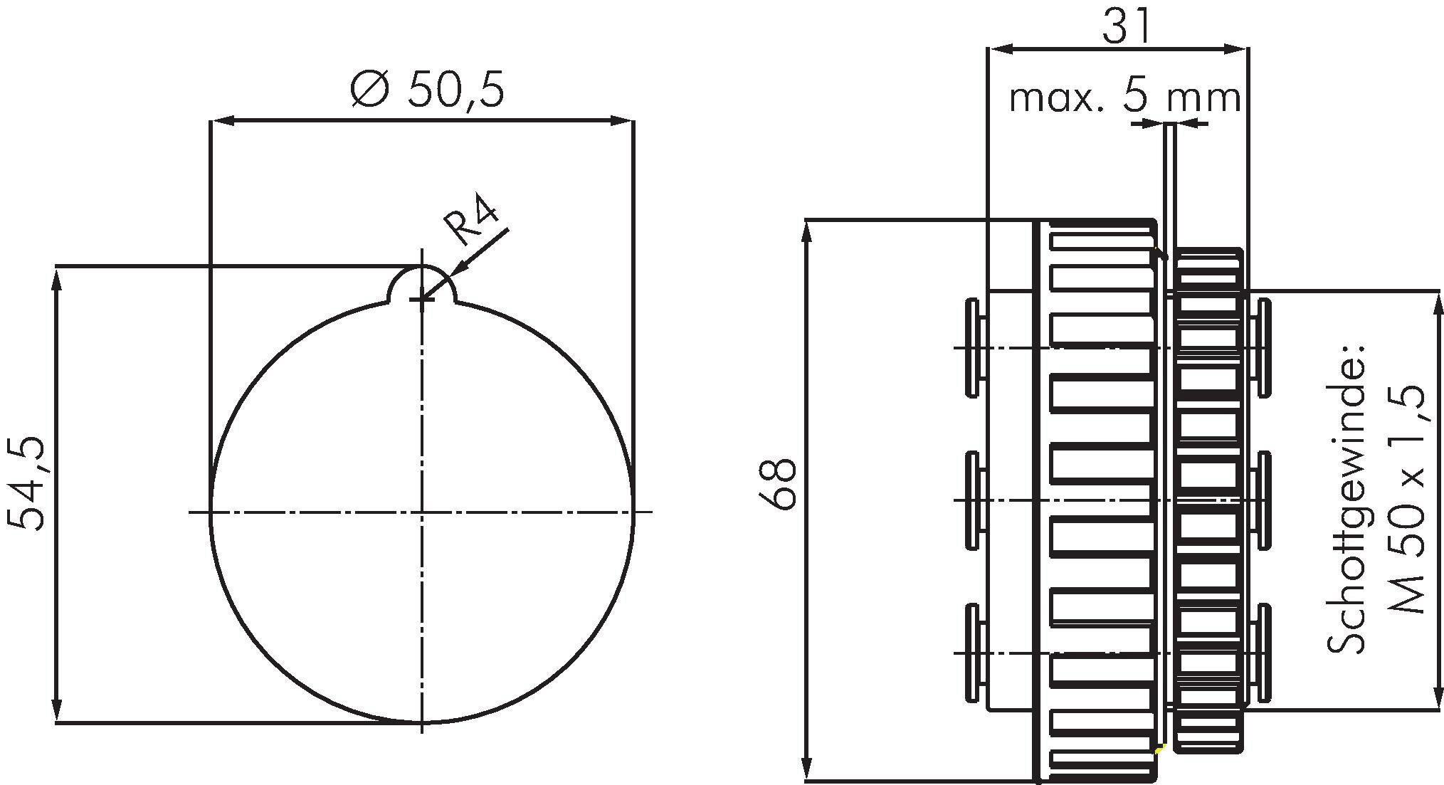
Multiple couplings bulkhead assembly (not sealing), 12 bar

Exemplary representation: Multiple coupling bulkhead mounting (non-locking)
Payment options:

Cash on delivery

Invoice