Item group

Pilot operated check valves, Classic

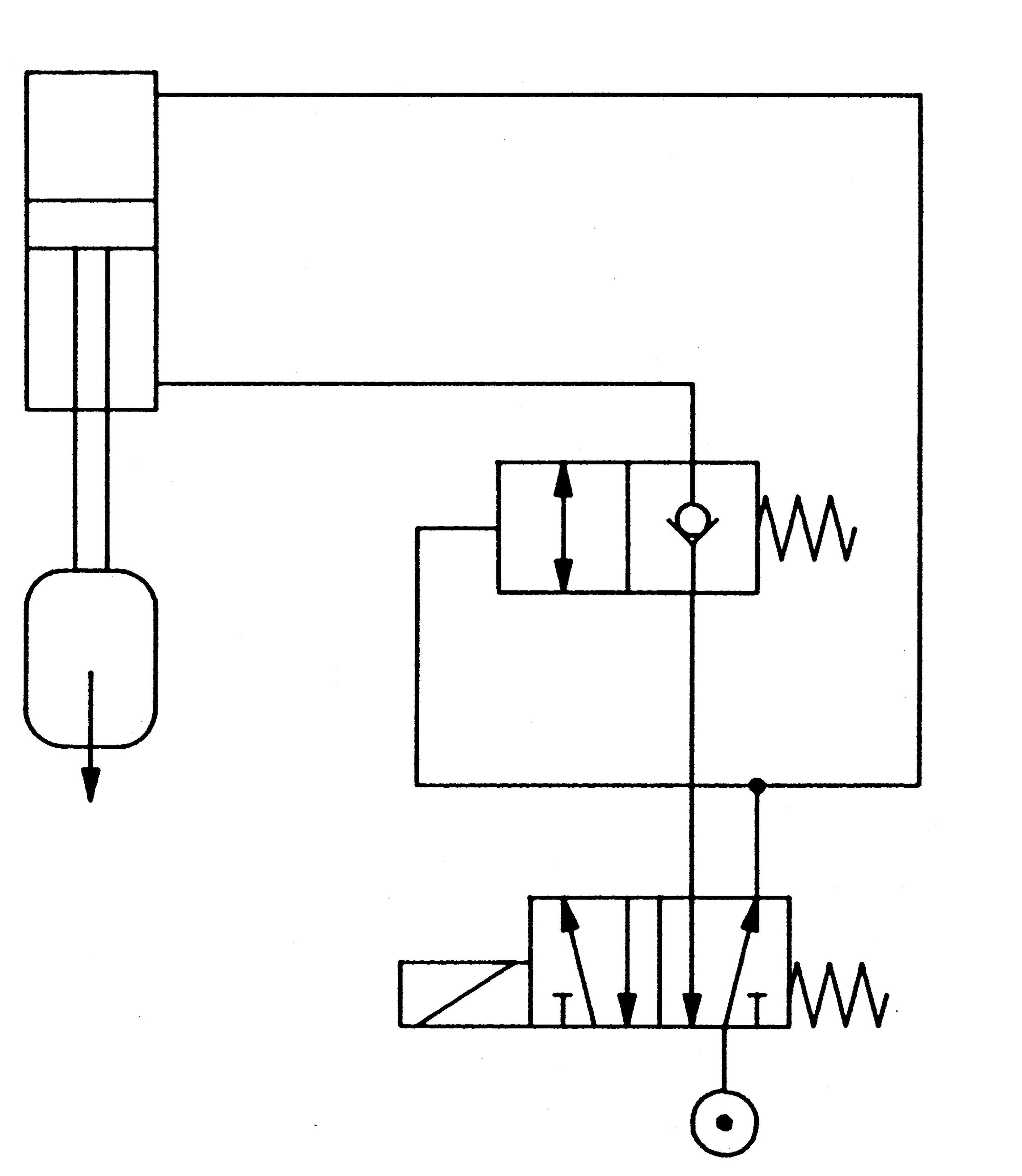
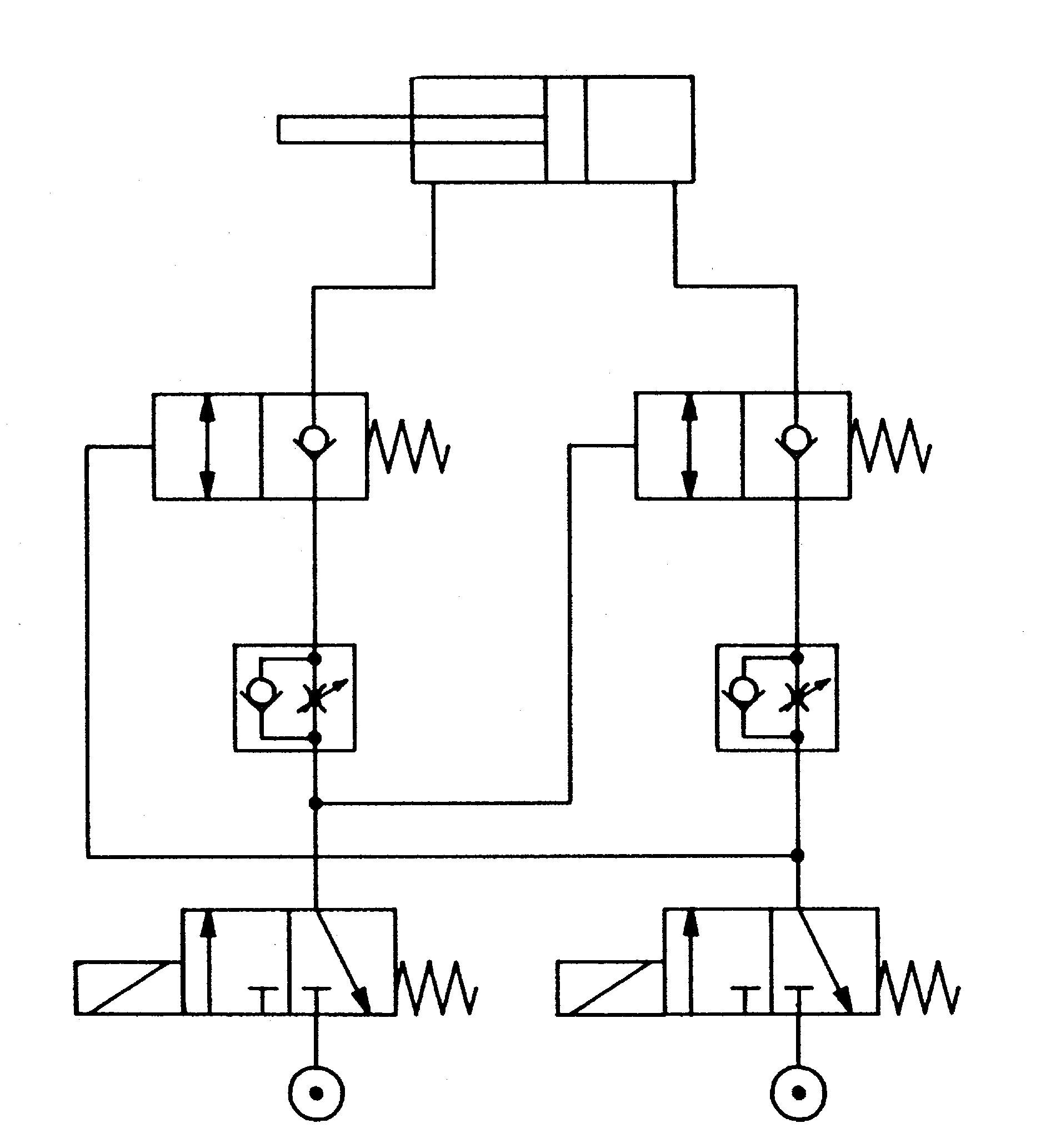
Exemplary representation: Pilot operated check valve without manual emergency operation Exemplary representation: Pilot operated check valve with manual emergency operation Schematic symbol: Unlockable check valve
Payment options:

Cash on delivery

Invoice