Item group

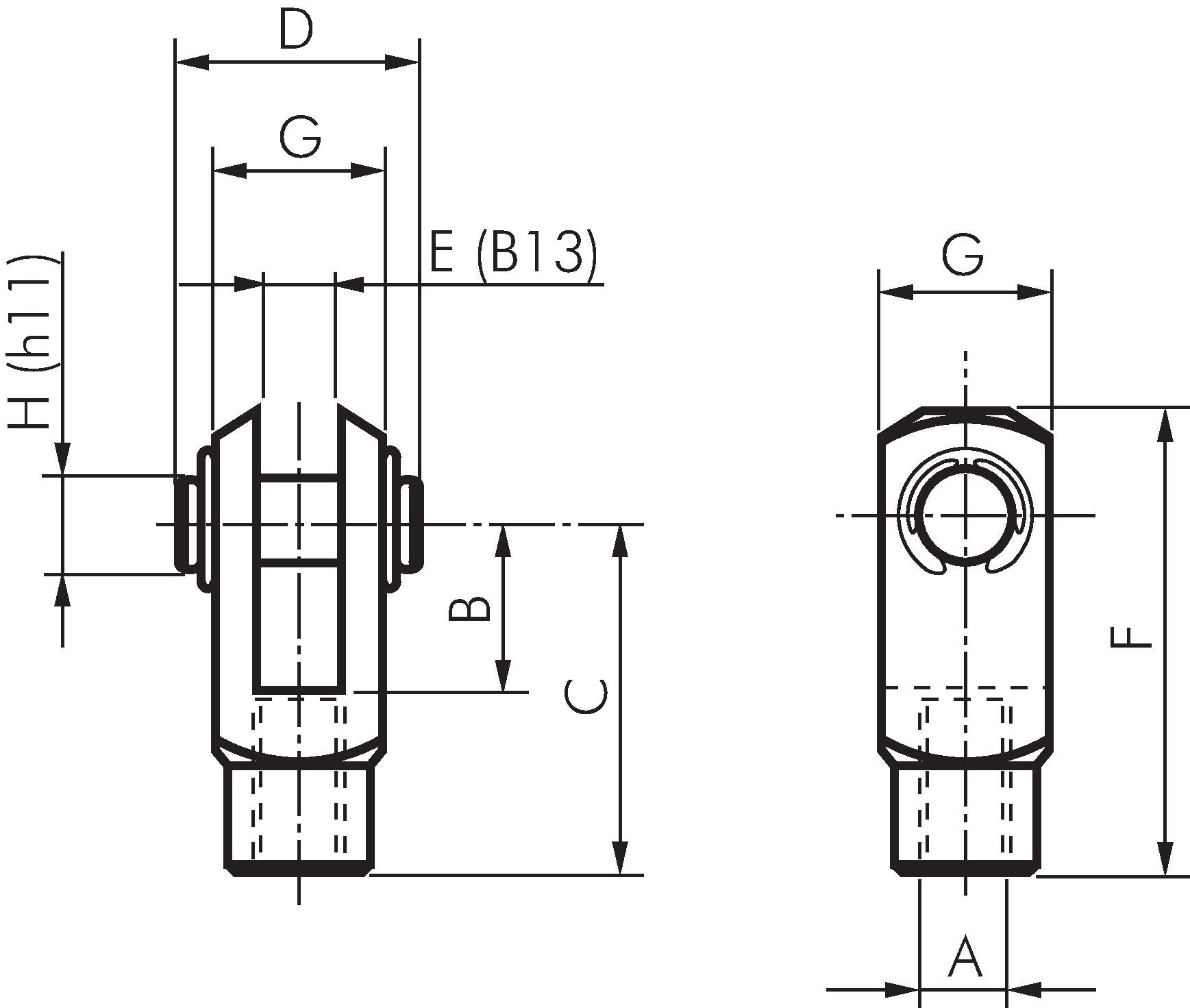
Swivel heads with bolts, for direct assembly cylinders EU

Exemplary representation: Clevis with bolt, galvanised steel
Payment options:

Cash on delivery

Invoice