Item group

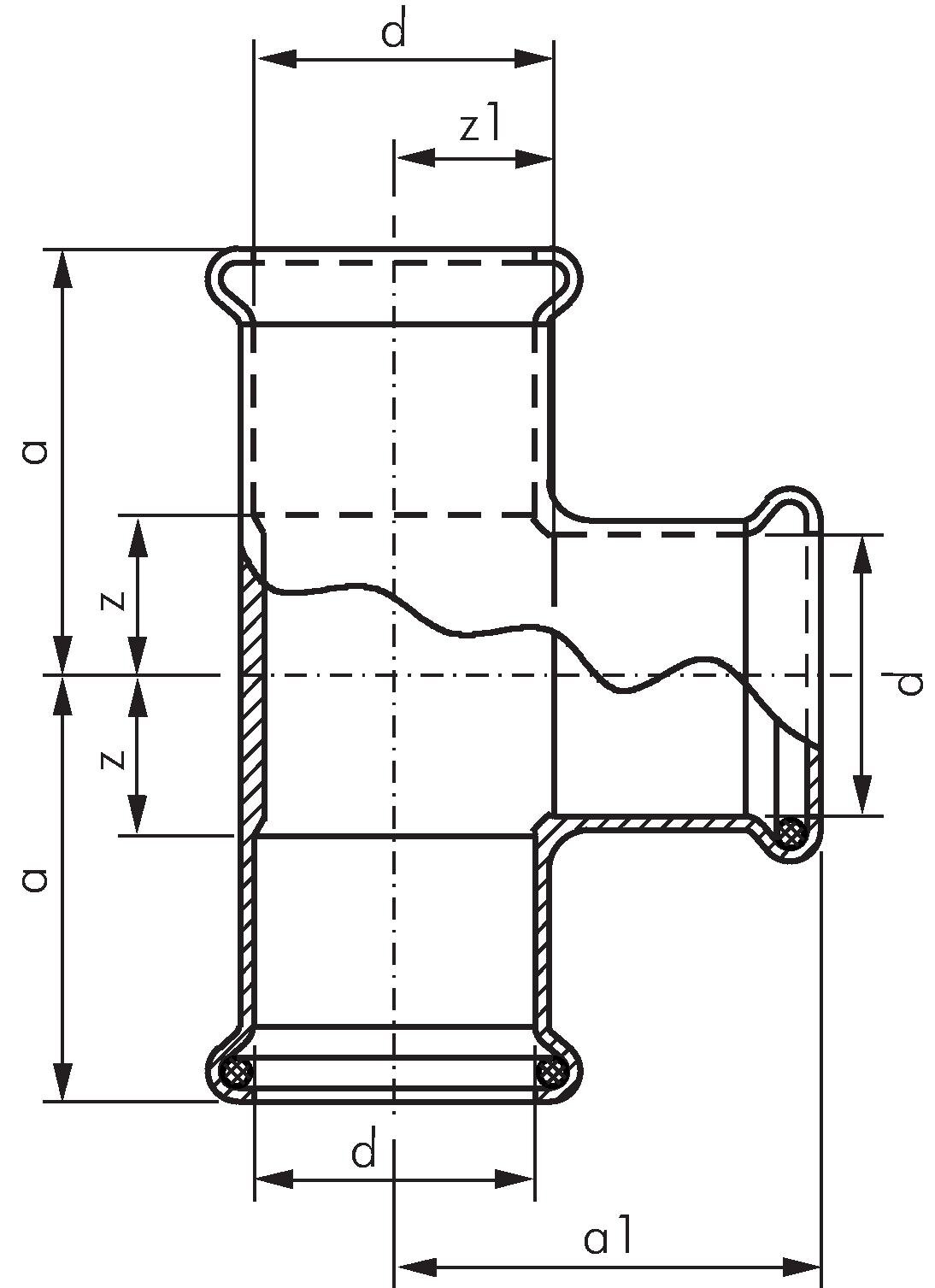
T-piece with interior press end

Exemplary representation: Tee with internal press end copper / copper alloy Exemplary representation: Tee with internal press end Stainless steel Exemplary representation: Pipe accessories
Payment options:

Cash on delivery

Invoice