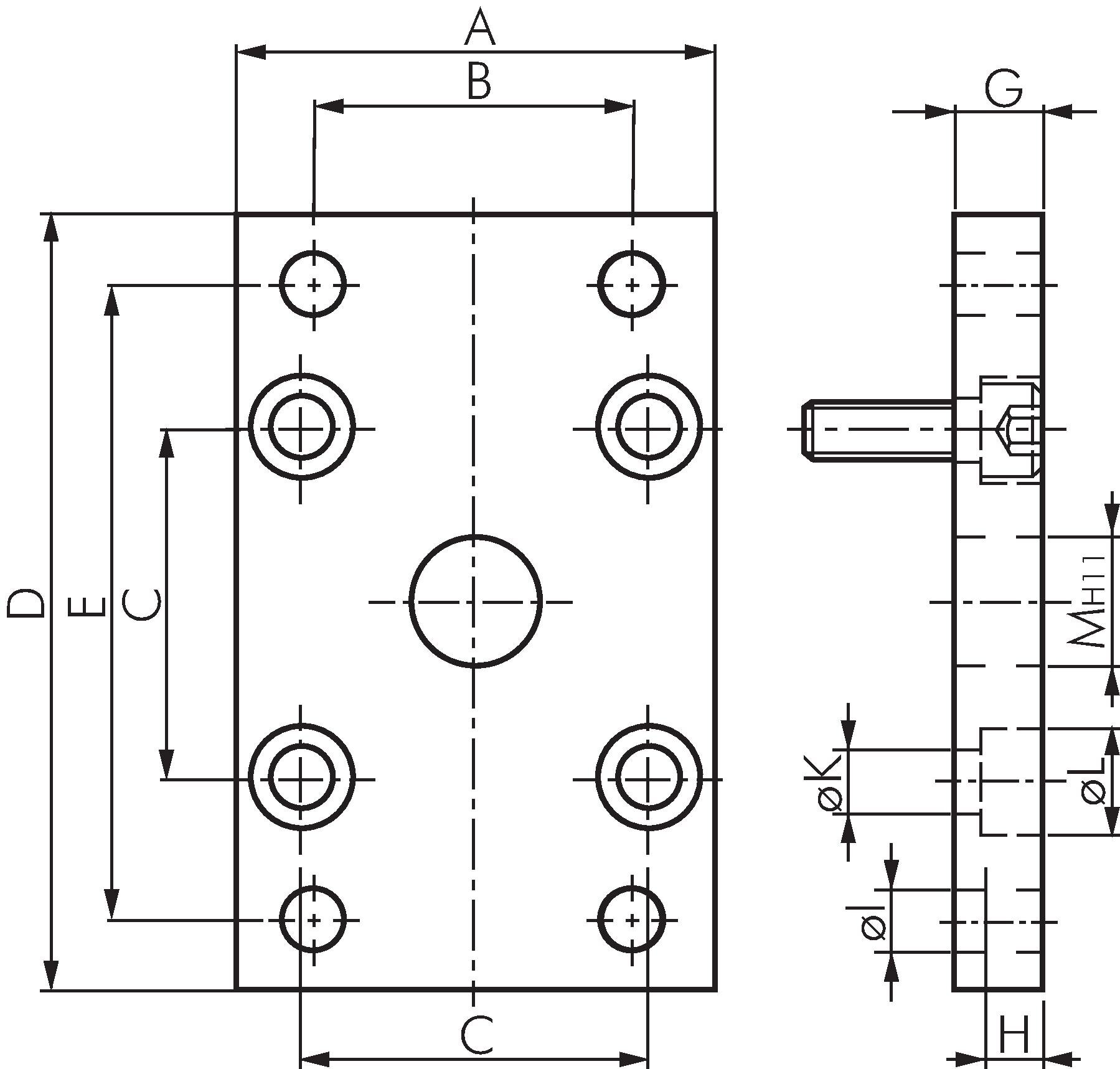
fixation par bride pour cylindre compact 20 mm

{{ $t('shop.all.artikelnummer') }}:

NXB 20

Possibilités de paiement:

Paiement à la livraison

Facture