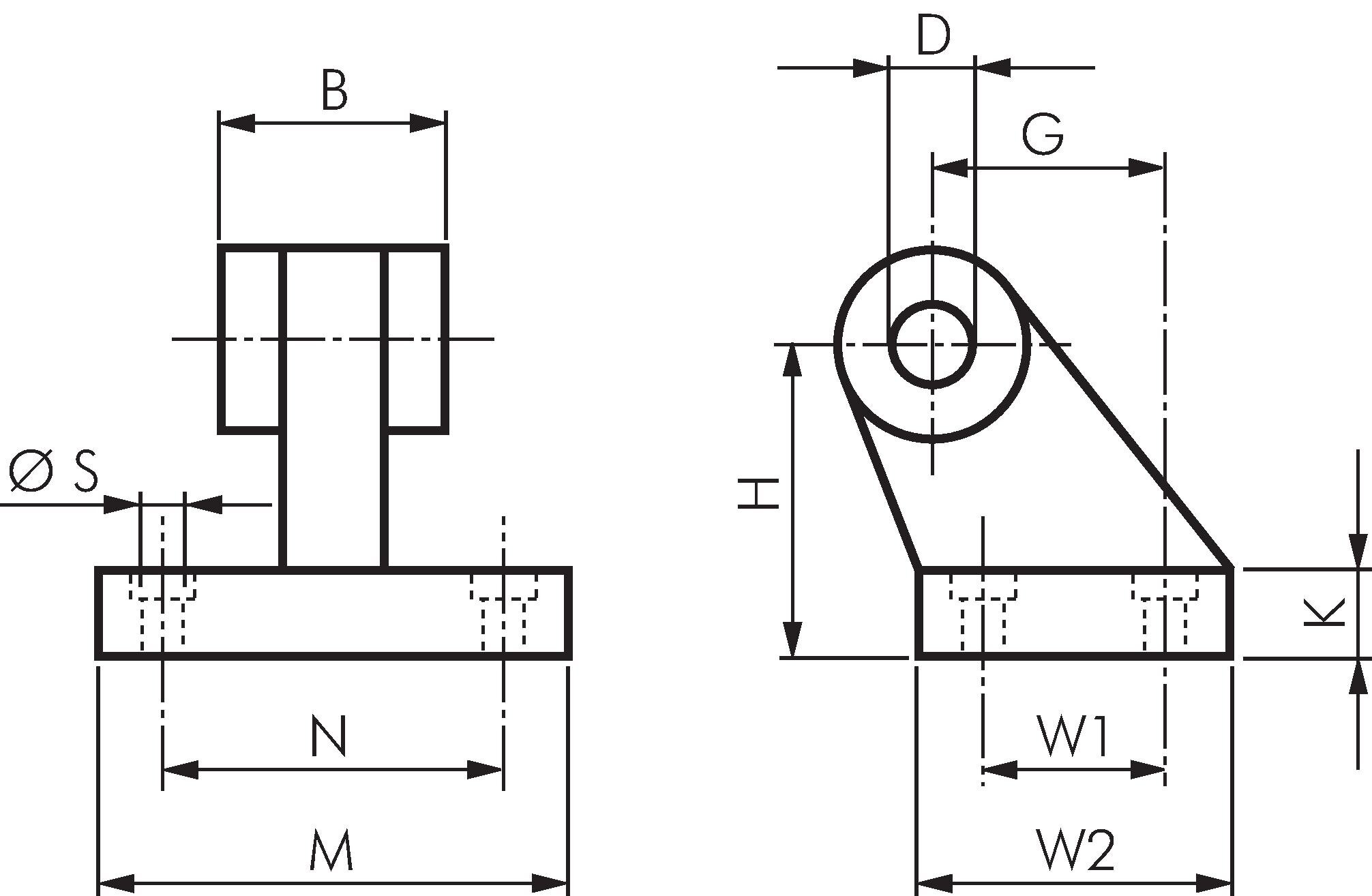
Mocowanie wahliwe ISO 15552-90° 160 mm, Aluminium

{{ $t('shop.all.artikelnummer') }}:

TD 160

Akcesoria

Opcje płatności:

Pobranie

Rachunek