Wir stellen Ihnen einen Zuwachs in der IQS Familie vor und präsentieren eine absolute Bereicherung der Funktionsverschraubungen von Landefeld. Die IQS PPL ist die Signalverschraubung des IQS Programms. Was machen Signalverschraubungen genau? Sie greifen einen Staudruck beim Erreichen der Endlage eines Zylinders auf und wandeln diesen in ein pneumatisches Signal um. Dieses Signal kann dann zum Beispiel für eine Folgesteuerung (Kaskadensteuerung) zum Einsatz kommen. Ein entscheidender Vorteil für Sie besteht darin, dass Sie dank der Signalverschraubung Ihre Anwendung besser aufeinander abstimmen können. Wie Sie die Signalverschraubung richtig anwenden und wie sie funktionieren, erklärt Ihnen unser Experte im Folgenden Video!
Video Highlights:
0:05 Minuten: Zuwachs in der IQS Serie – Die Signalverschraubung IQS PPL!
0:19 Minuten: Welchen Vorteil hat die Signalverschraubung IQS PPL?
0:32 Minuten: Was ist eine Signalverschraubung und wie funktioniert sie?
2:03 Minuten: Wie verhält sich eine Signalverschraubung in einer Anwendung?
3:24 Minuten: Was gibt es zu beachten?
Welchen Vorteil hat die Signalverschraubung IQS PPL?
Der Vorteil dieser Signalverschraubung sind die integrierten Steckanschlüsse. Das bedeutet, Sie können Ihre Versorgungs- oder Signalleitung direkt an die Signalverschraubung anschließen. Sie benötigen keine weiteren Anschlussfittings, haben dadurch weniger ausfallgefährdetes Material und sparen darüber hinaus Zeit beim Ein- bzw. Ausbau. Sie finden im Landefeld Programm aber weiterhin wie gewohnt die PPL mit Innengewinde sowie die Signalverschraubung unseres Vertriebspartners Festo.
Was ist eine Signalverschraubung und wie funktioniert sie?
Eine Signalverschraubung ist ein negierter, pneumatischer Druckschalter, der meistens bei der Abfrage von Endlagen bei pneumatischen Zylindern zum Einsatz kommt. Das bedeutet, wenn an der entlüfteten Seite des Zylinders ein Druck unterhalb des Ansprechdruckes ansteht, wird dieser sogenannte Staudruck in ein pneumatisches Signal umgewandelt. Dieses Signal kann beispielsweise bei Folgesteuerungen eingesetzt werden.
Die Anschlüsse 1 sind bei der Signalverschraubung durch ein Außen- und Innengewinde gekennzeichnet. Dabei ist die Einbaulage beliebig. Der Anschluss P ist die Versorgung und der Anschluss S ist der Signalausgang. Dieser ist koppelbar mit einem Folgesteuerventil.

Unsere IQS PPL kann direkt in Ihre Zylinderanschlüsse eingeschraubt werden. Zudem ist es ebenfalls möglich die IQS PPL in die Arbeitsanschlüsse Ihres Ventils einzubringen. Wir empfehlen Ihnen hinter jeder Signalverschraubung ein entsprechendes Drosselrückschlagventil in Abluftregeln zu verbauen. Denn das gewährleistet, dass die abgefragte Seite des Zylinders nicht zu schnell entlüftet und das Signal dadurch abreißt. Sie können aber auch in die Entlüftungsanschlüsse Ihrer Steuerventile einen Drosselschalldämpfer einbauen.
Das Drosselrückschlagventil können Sie entweder direkt in die IQS PPL einschrauben, oder aber Sie setzen Ihr Drosselrückschlagventil in die Leitung des Zylinders zwischen Steuerventil und Zylinder.
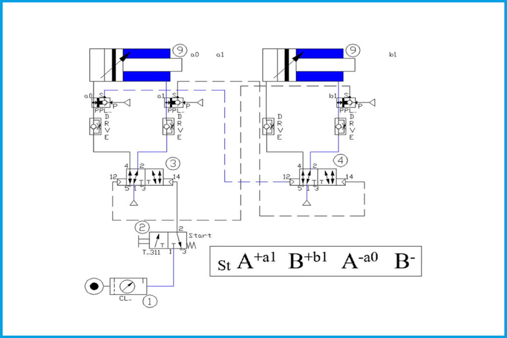
Wie verhält sich eine Signalverschraubung in einer Anwendung?
Wir haben dazu einen Versuchsaufbau vorbereitet!






So kann die IQS PPL Signalverschraubung zur optimalen Abstimmung Ihrer Anwendung beitragen!
Das gibt es bei der Abfrage der Endlage über den Druck zu beachten!
Sollte der Zylinder eventuell mechanisch blockieren, sendet dieser trotzdem ein entsprechendes Signal an die PPL. Die Signalverschraubung kann hierbei nicht unterscheiden, ob der Zylinder tatsächlich in der Endlage angekommen ist. Sie sendet aber trotzdem ein Signal an die Folgesteuerung, als wäre der Zylinder in der Endlage angekommen.
In solchen Fällen enpfehlen wir eine hubabhängige Abfrage Ihrer Zylinder. Das geht ganz einfach mit Zylinderschaltern oder mechanisch betätigten Endschaltern.
Wir unterstützen Sie gerne!
Unser technisches Vertriebsteam unterstützt und berät Sie zudem gerne bei der Auswahl der geeigneten Signalverschraubungen für Ihre Anwendung!
Sie erhalten darüber hinaus eine riesige Auswahl an weiteren pneumatischen, sowie hydraulischen Bauteilen und Elementen in unserem Online-Shop!
Hier finden Sie die Artikel aus unserem Video!
Abonnieren Sie außerdem unseren YouTube-Kanal um kein Video zu verpassen!
Lesen Sie hier, weitere interessante Beiträge zu diesem Thema!
- Dreh- und Schwenkverschraubungen für Druckluft, Wasser und Öl!
- Messing-Klemmringverschraubungen fachgerecht montieren!
- NC-Klemmringverschraubungen und wie sie montiert werden!
- Schneidringverschraubungen (DIN 2353)
Starke Kooperationspartner für uns, bedeuten noch mehr Vorteile für Sie!
Wir führen das komplette Festolieferprogramm in unserem Online-Shop und passen zudem unseren Lagerbestand täglich den Kundenbedürfnissen an. Verschaffen Sie sich auf Festo Online-Shop einen Überblick!