Groupe d’articles

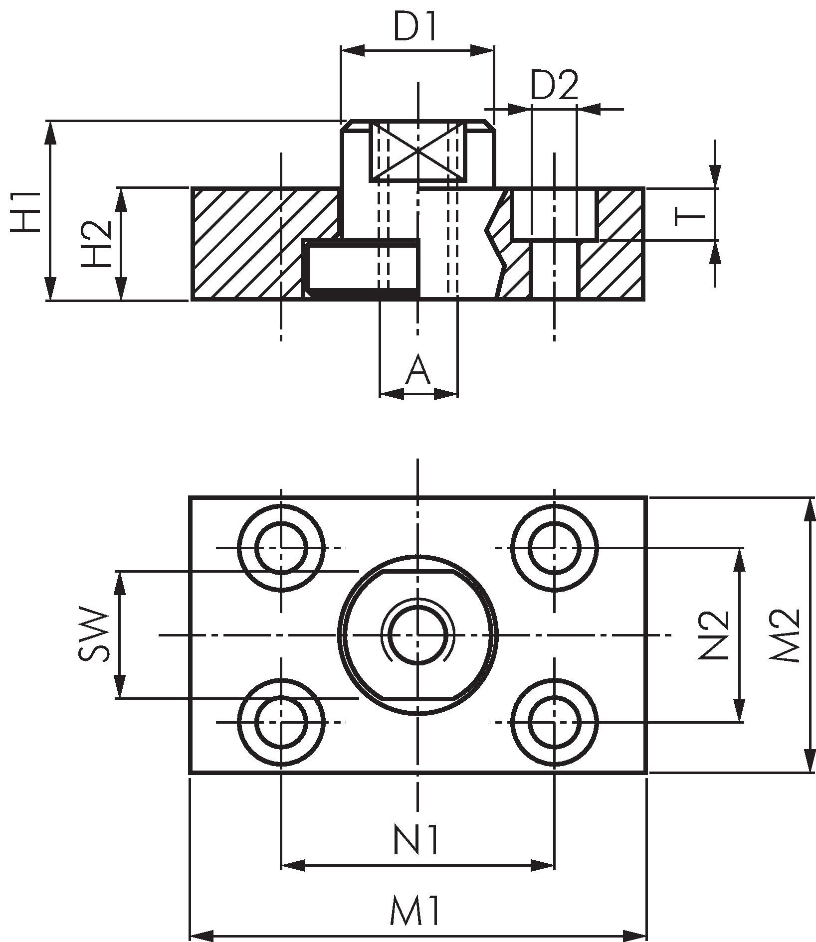
Raccords flexo avec plaque de fixation, Pour vérins compacts UNITOP

Exemplaire exposé: Raccord flexible avec plaque de fixation
Possibilités de paiement:

Paiement à la livraison

Facture