Artikelgroep

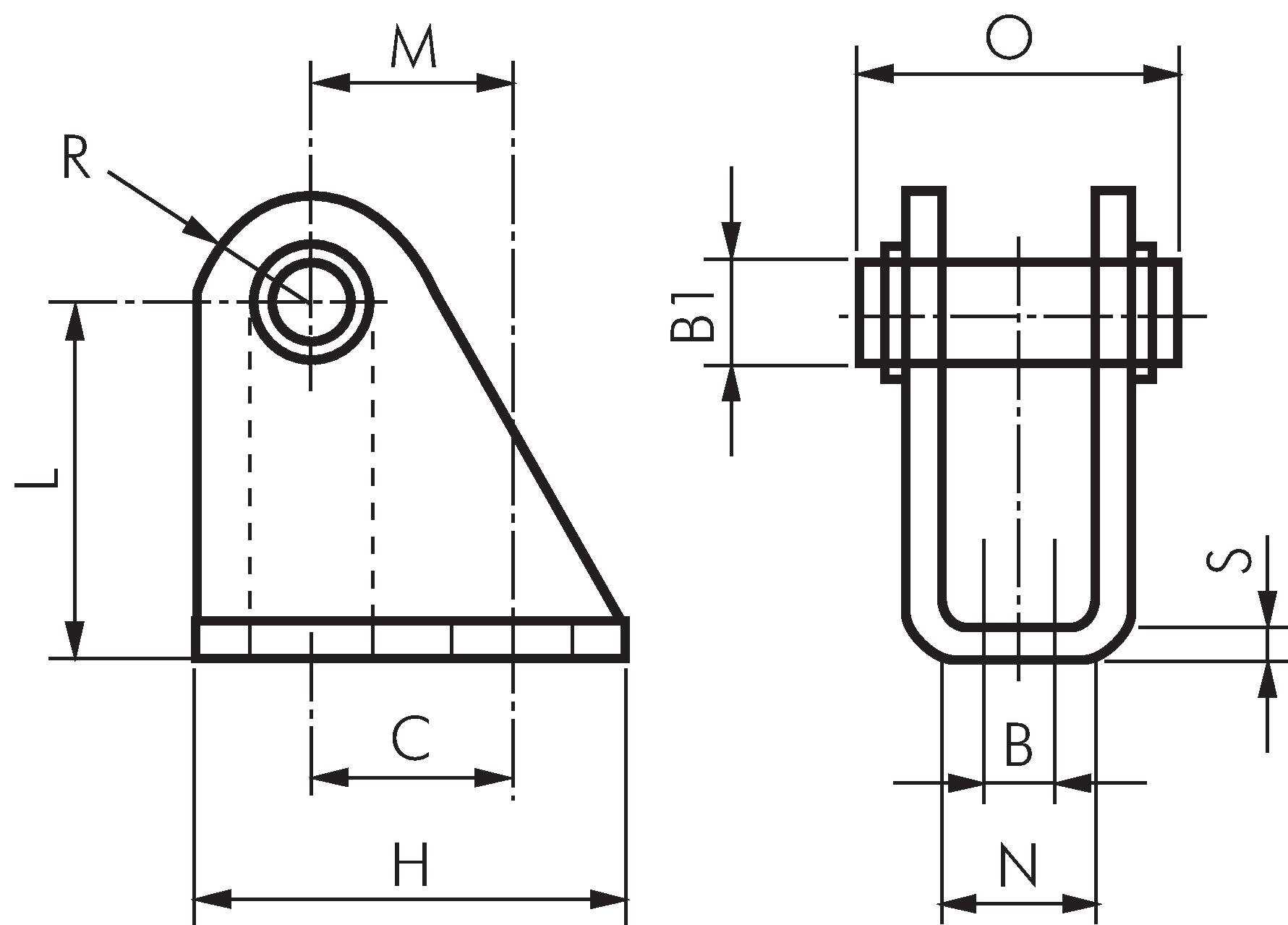
Lagerblokken met bouten, voor ronde cilinders ISO 6432

Voorbeeldig Afbeelding: Lagerbok met bout, staal verzinkt
Betalingsmogelijkheden:

Achternaam

Factuur