Grupa artykułów

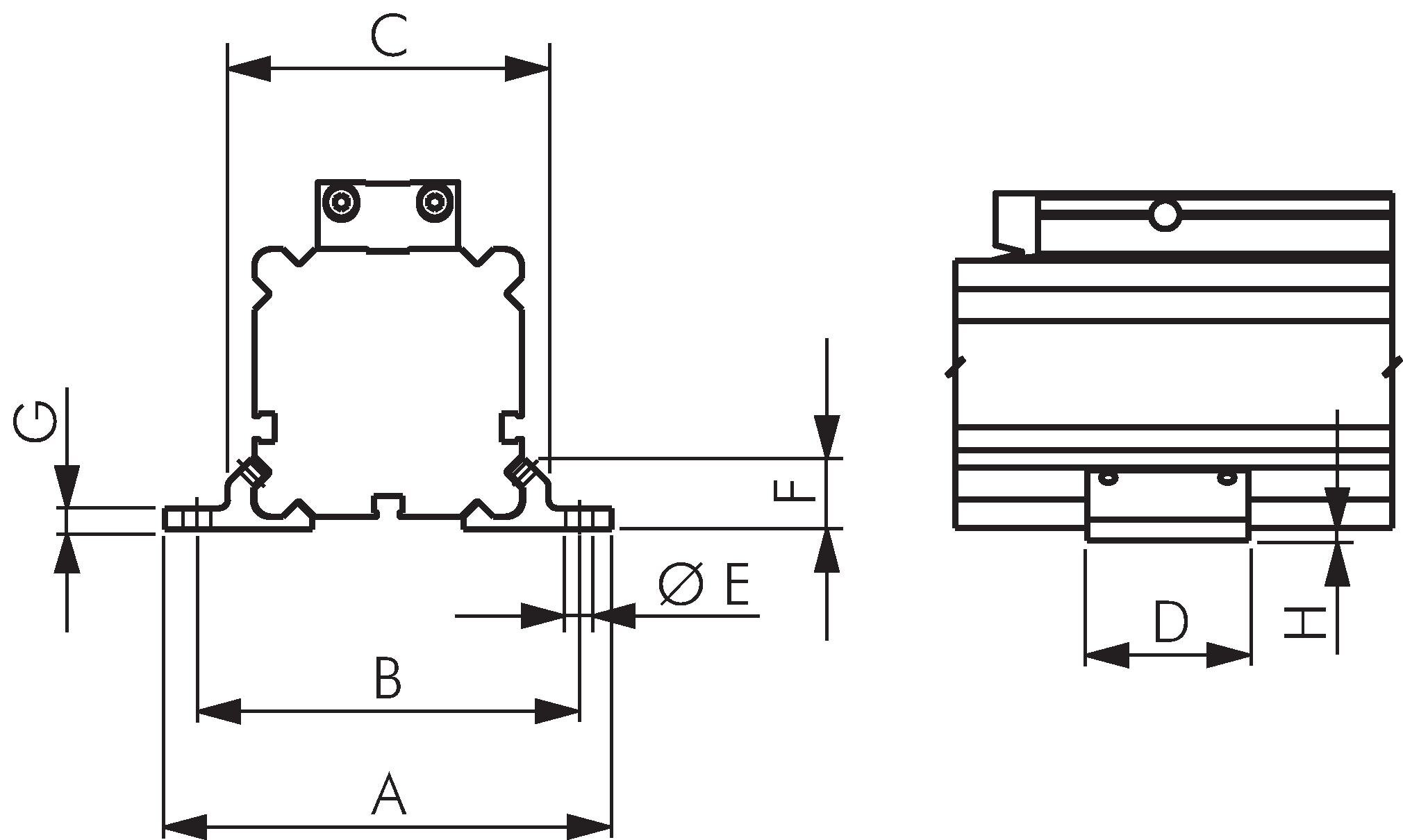
Mocowania srodkowe, do cylindrów beztloczyskowych

Opcje płatności:

Pobranie

Rachunek