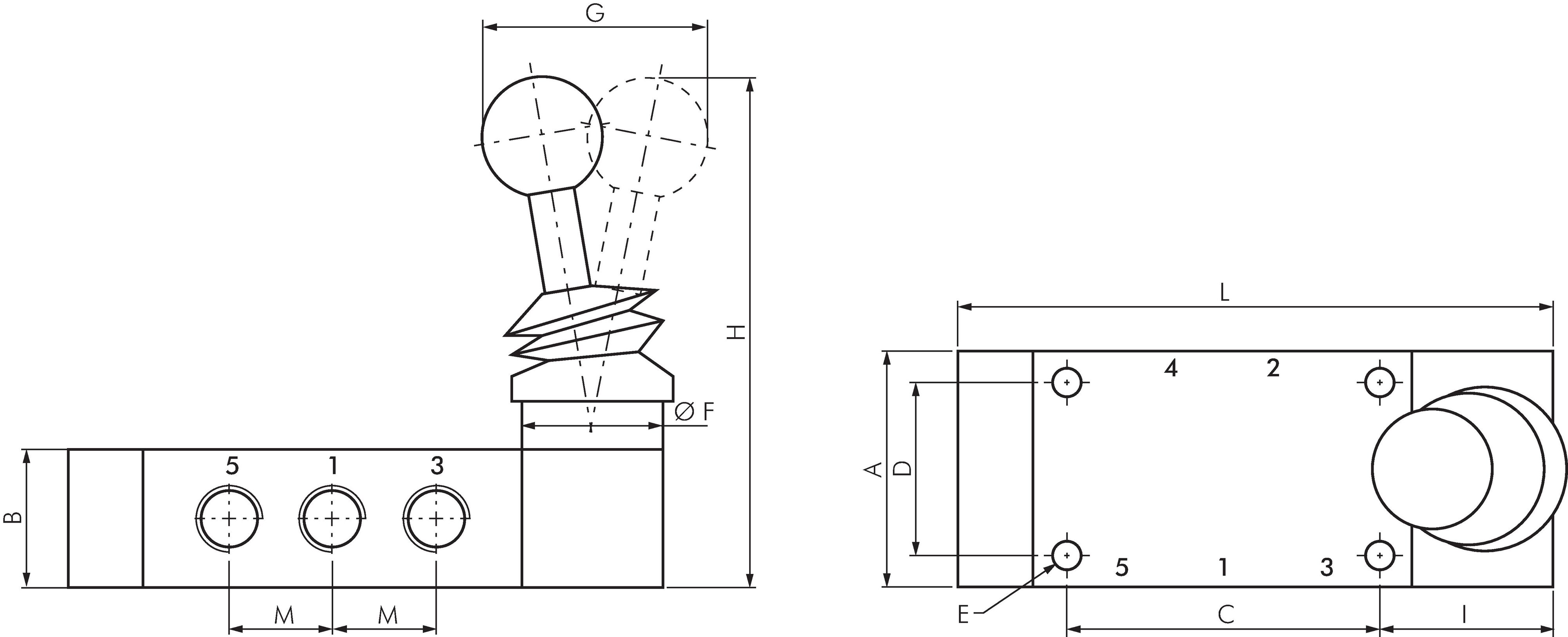
5/2-Wege Handhebelventil, Raste, G 1/4"

{{ $t('shop.all.artikelnummer') }}:

HR 14 520

Zubehör

Zahlungsmöglichkeiten:

Nachnahme

Rechnung