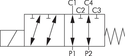
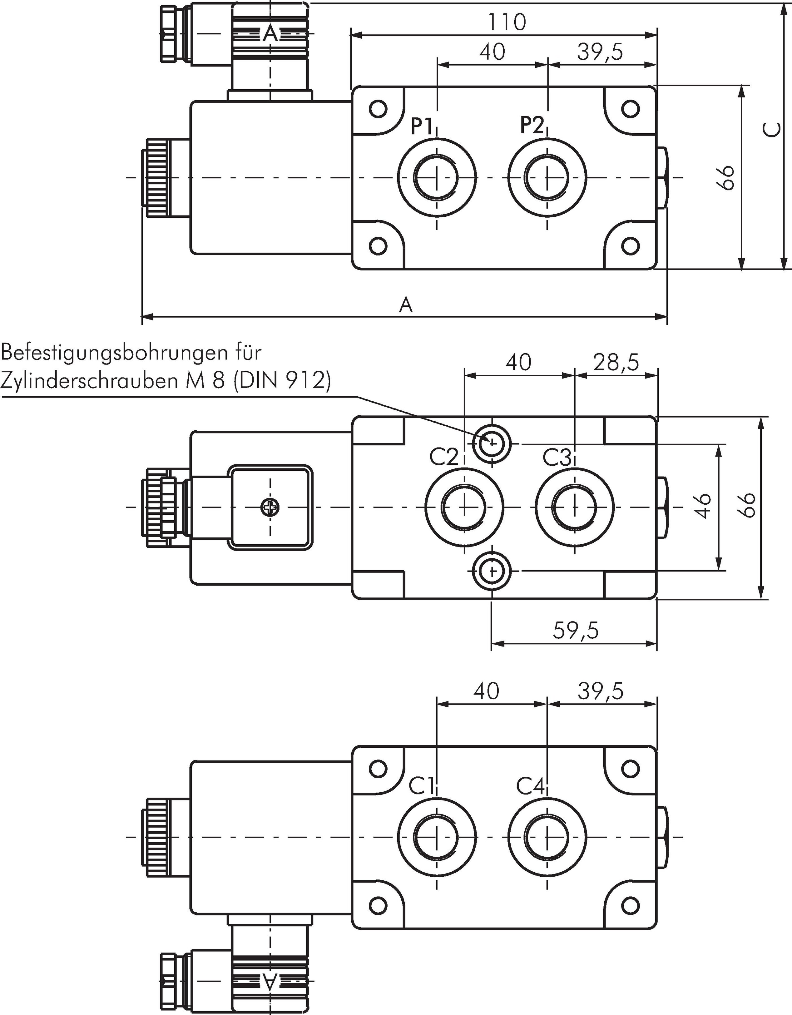
6/2-Wege Hydraulikventil, G 3/8", 12 V DC

{{ $t('shop.all.artikelnummer') }}:

6WV38-12V=

Zubehör

Zahlungsmöglichkeiten:

Nachnahme

Rechnung