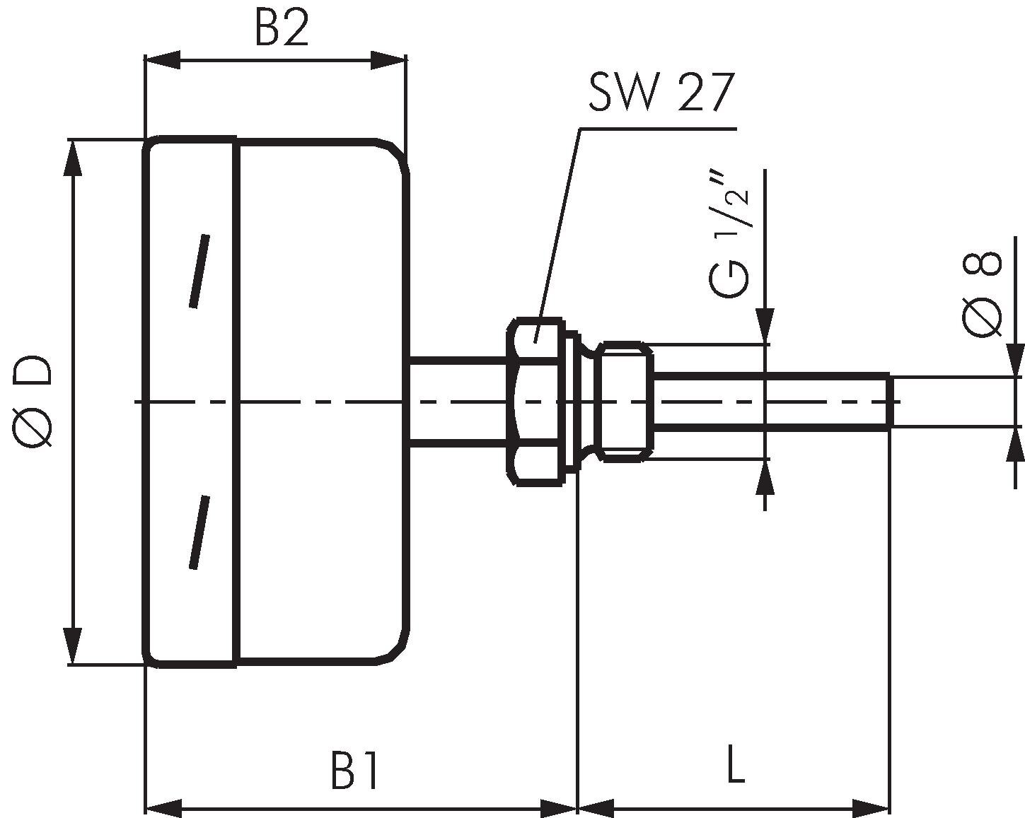
Bimetallthermometer, waagerecht D100/0 bis +60°C/200mm

{{ $t('shop.all.artikelnummer') }}:

TW 60100200 ES

Zubehör

Zahlungsmöglichkeiten:

Nachnahme

Rechnung