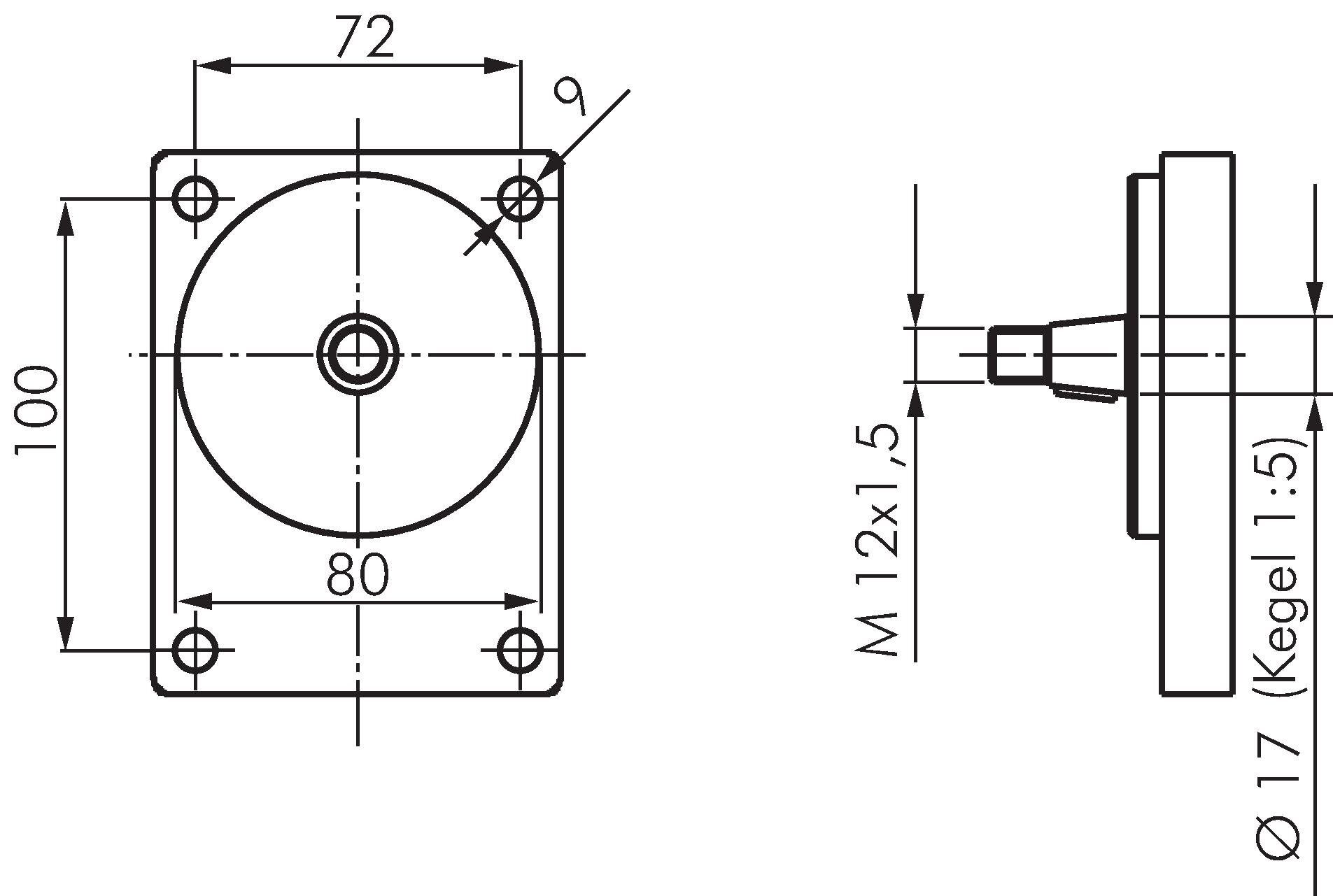
Bosch-Zahnradpumpe 11 ccm, Boschflansch, rechtsdrehend

{{ $t('shop.all.artikelnummer') }}:

0 510 525 009

Zubehör

Zahlungsmöglichkeiten:

Nachnahme

Rechnung