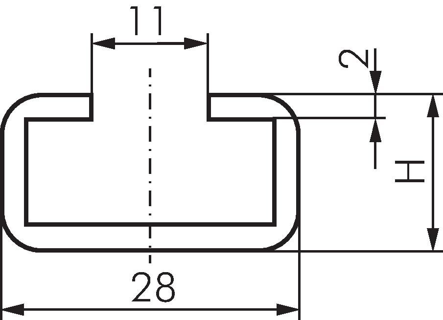
C-Tragschiene, 28x11mm, 1.4571, 1mtr.

{{ $t('shop.all.artikelnummer') }}:

TS 28X11 ES

Zubehör

Zahlungsmöglichkeiten:

Nachnahme

Rechnung