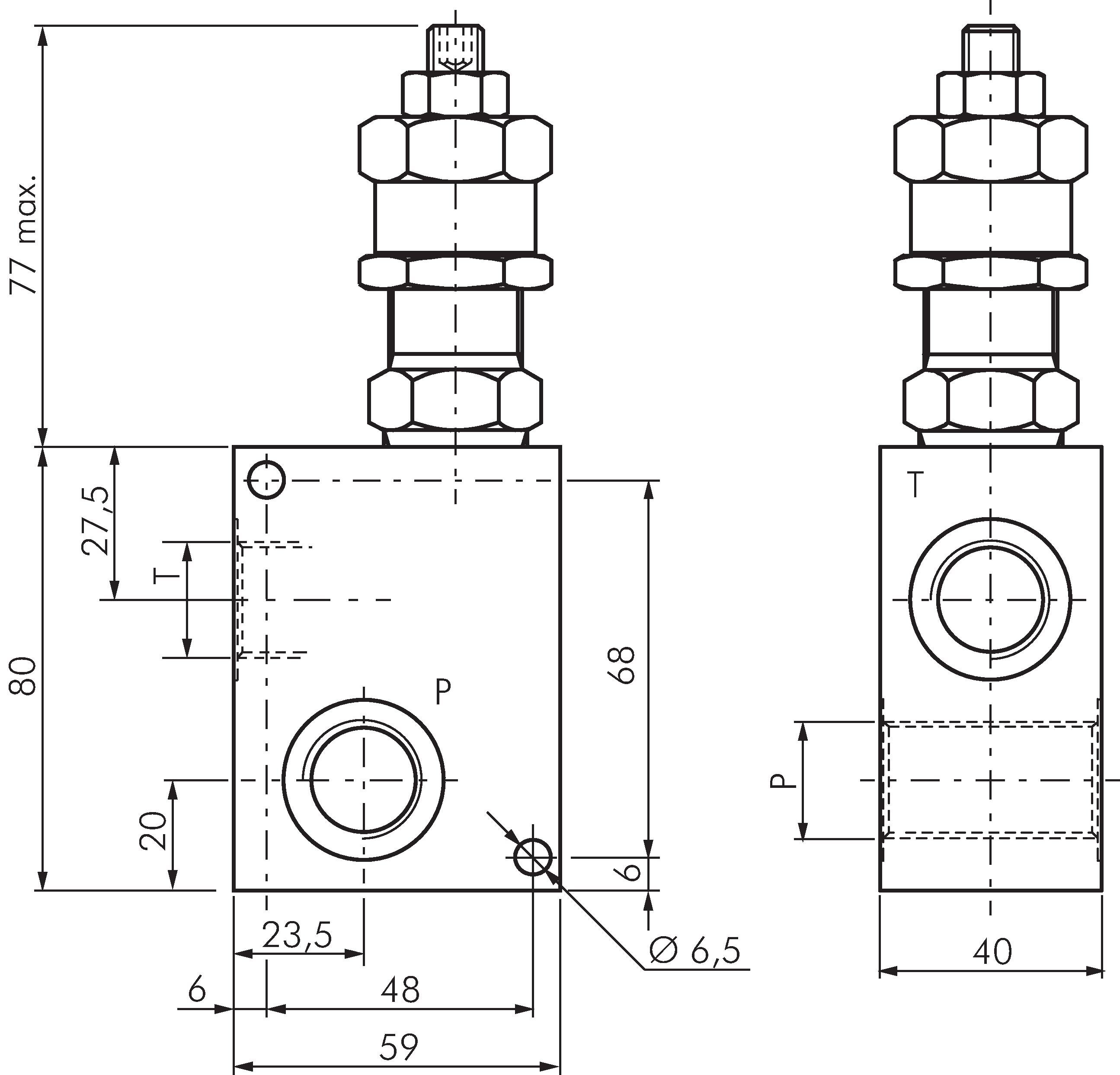
Druckbegrenzungsventil 3x G 1/2", 30 - 100 bar, max. 80 l/min

{{ $t('shop.all.artikelnummer') }}:

DBV12P100Q80

Zubehör

Zahlungsmöglichkeiten:

Nachnahme

Rechnung