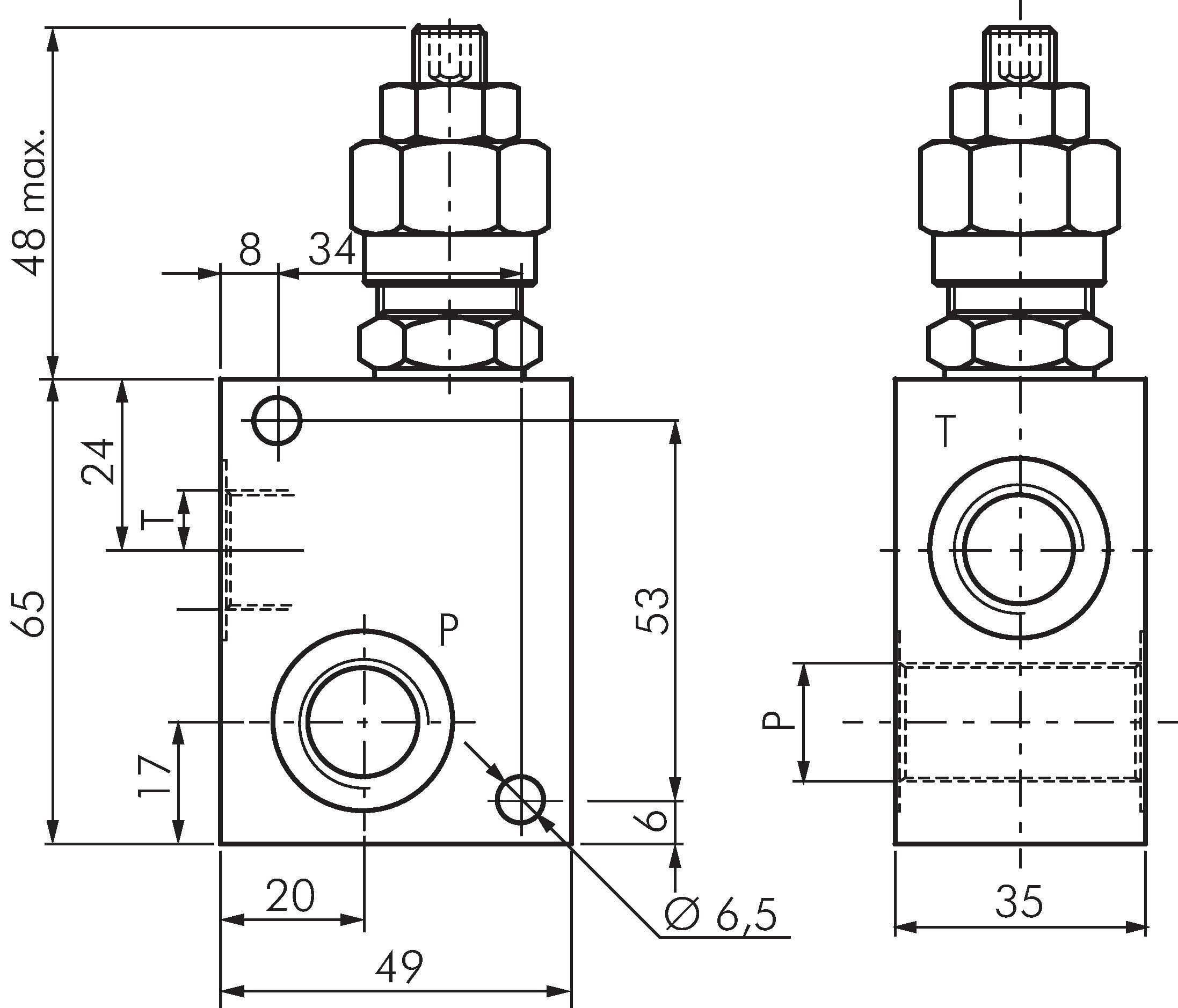
Druckbegrenzungsventil 3x G 3/8", 30 - 100 bar, max. 30 l/min

{{ $t('shop.all.artikelnummer') }}:

DBV38P100Q30

Zubehör

Zahlungsmöglichkeiten:

Nachnahme

Rechnung