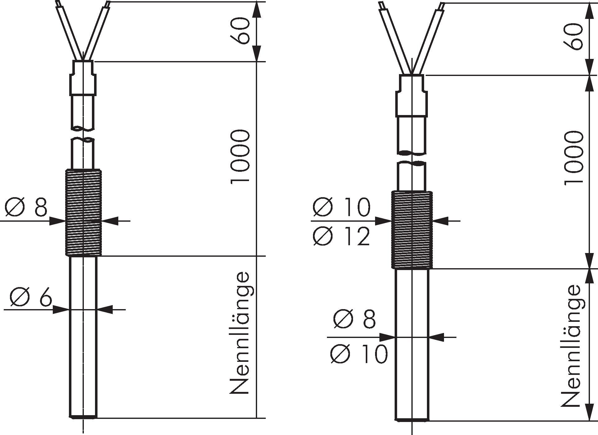
Einsteck-Widerstandsthermometer Pt100 (2-Leiter), 8x100mm

{{ $t('shop.all.artikelnummer') }}:

PT 1008/100

Zubehör

Zahlungsmöglichkeiten:

Nachnahme

Rechnung