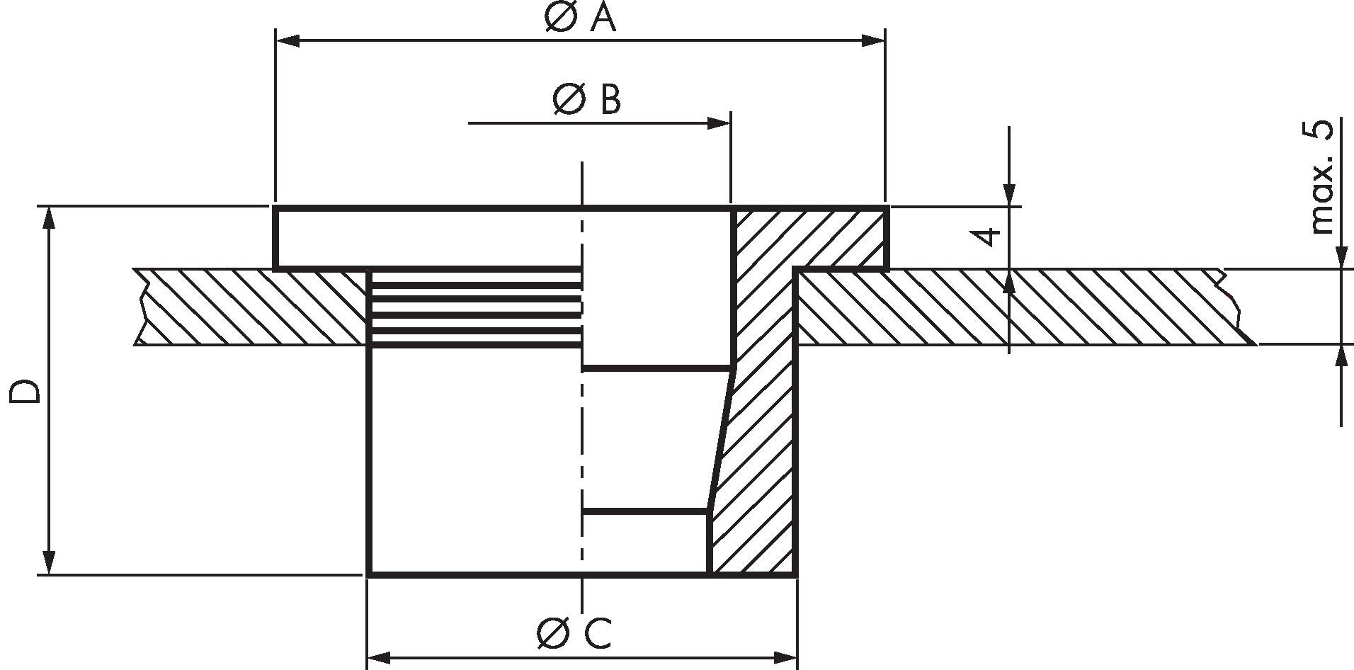
Elastomer-Rohrdurchführung für 10 mm Rohr

{{ $t('shop.all.artikelnummer') }}:

RDF 10

Zubehör

Zahlungsmöglichkeiten:

Nachnahme

Rechnung