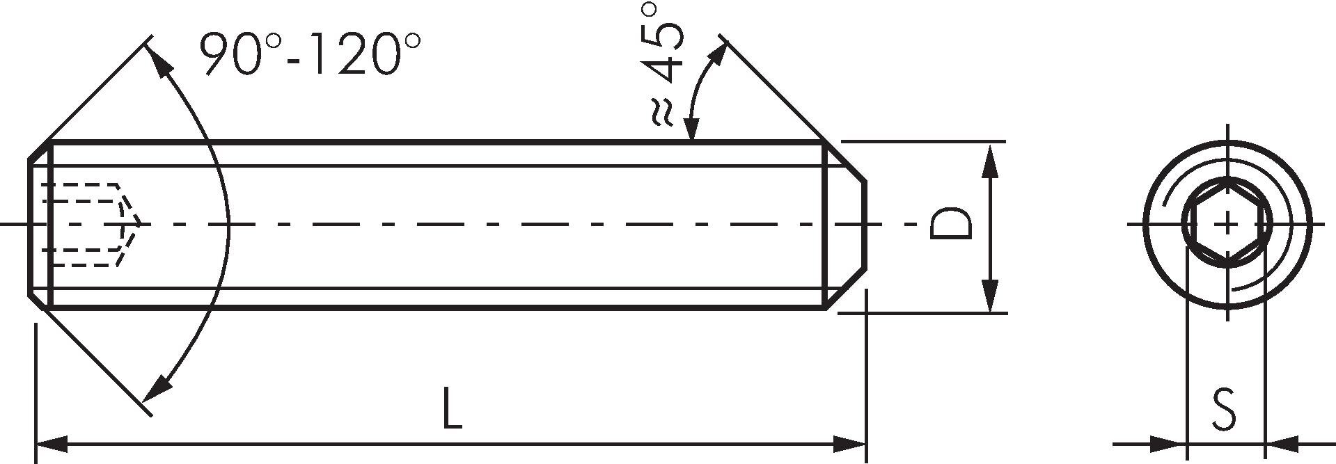
Gewindestift DIN 913 / ISO 4026, M 4x5, Stahl 45 H

{{ $t('shop.all.artikelnummer') }}:

913-M4X5

Zubehör

Zahlungsmöglichkeiten:

Nachnahme

Rechnung