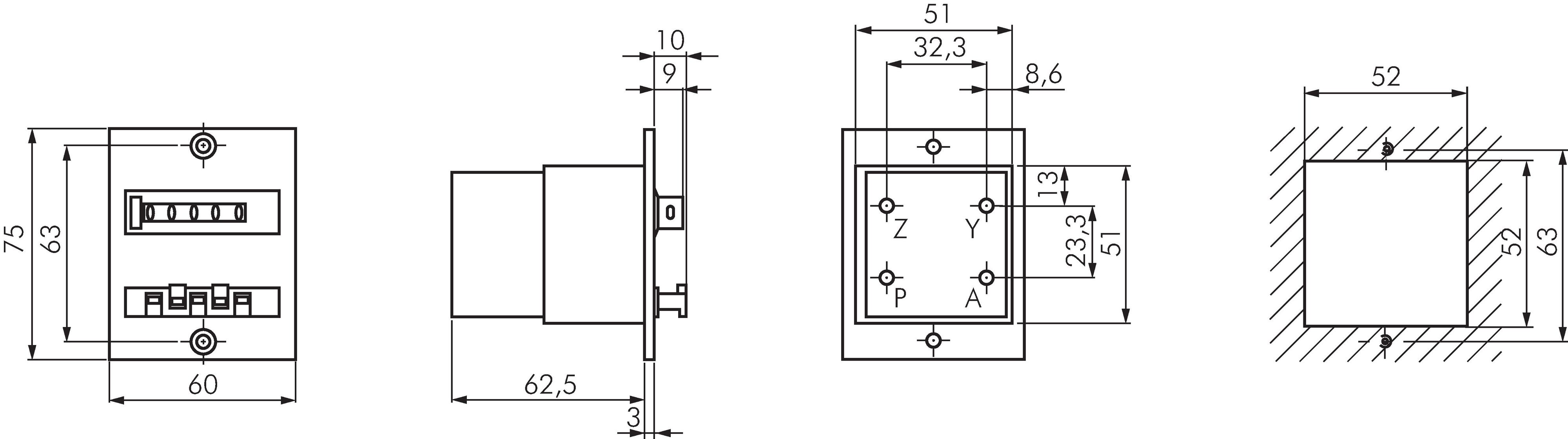
Vorwahlzähler, pneumatisch, 5-stellig

{{ $t('shop.all.artikelnummer') }}:

PEZ

Zubehör

Zahlungsmöglichkeiten:

Nachnahme

Rechnung