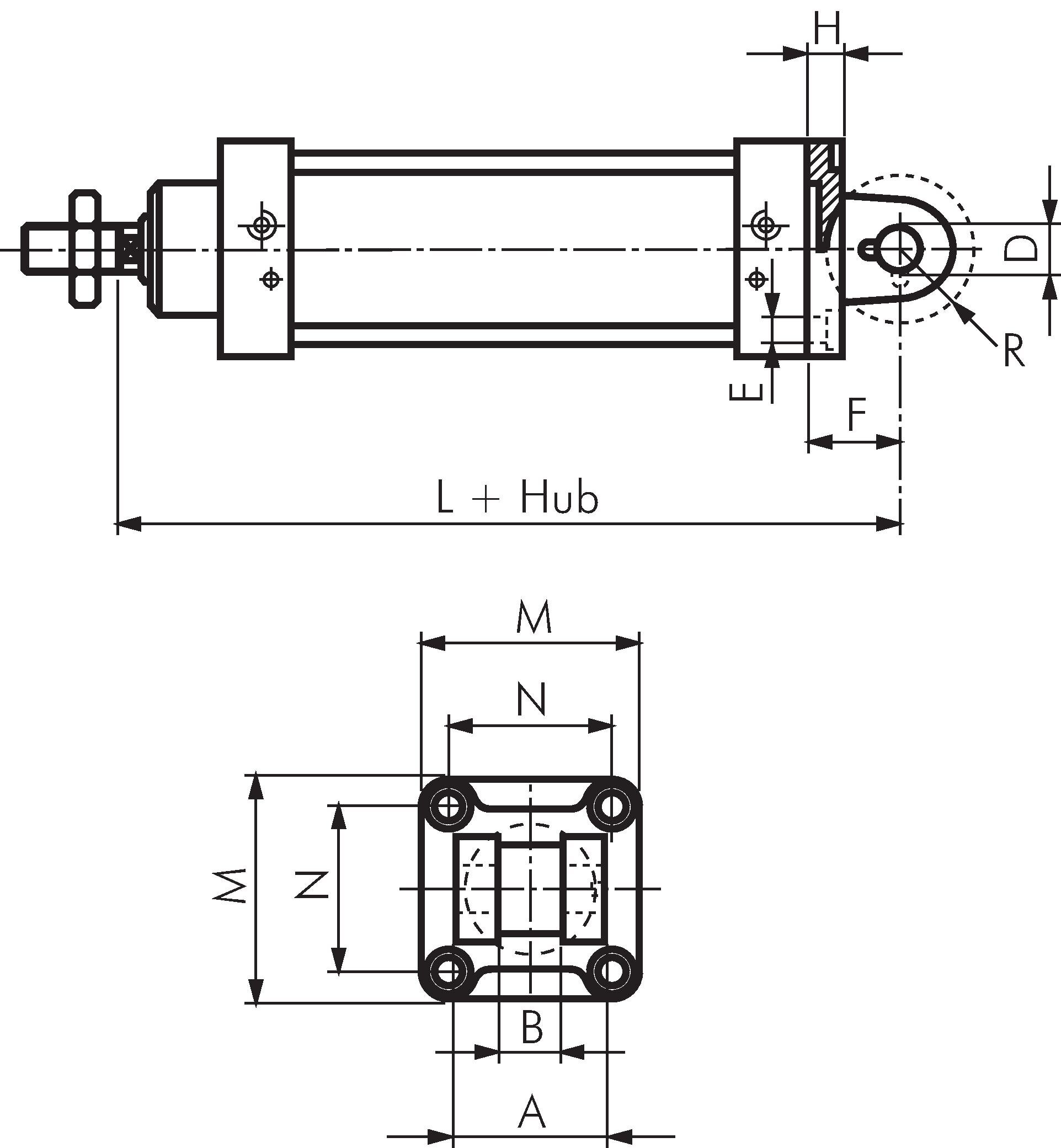
ISO 15552-Yoke swivel fastening 40 mm, Aluminij

{{ $t('shop.all.artikelnummer') }}:

TQ 40

Pribor

Možnosti plačila:

Po povzetju

Račun