Artikelgruppe

3/2-Wege Endschalter G 1/4", Baureihe YMV400

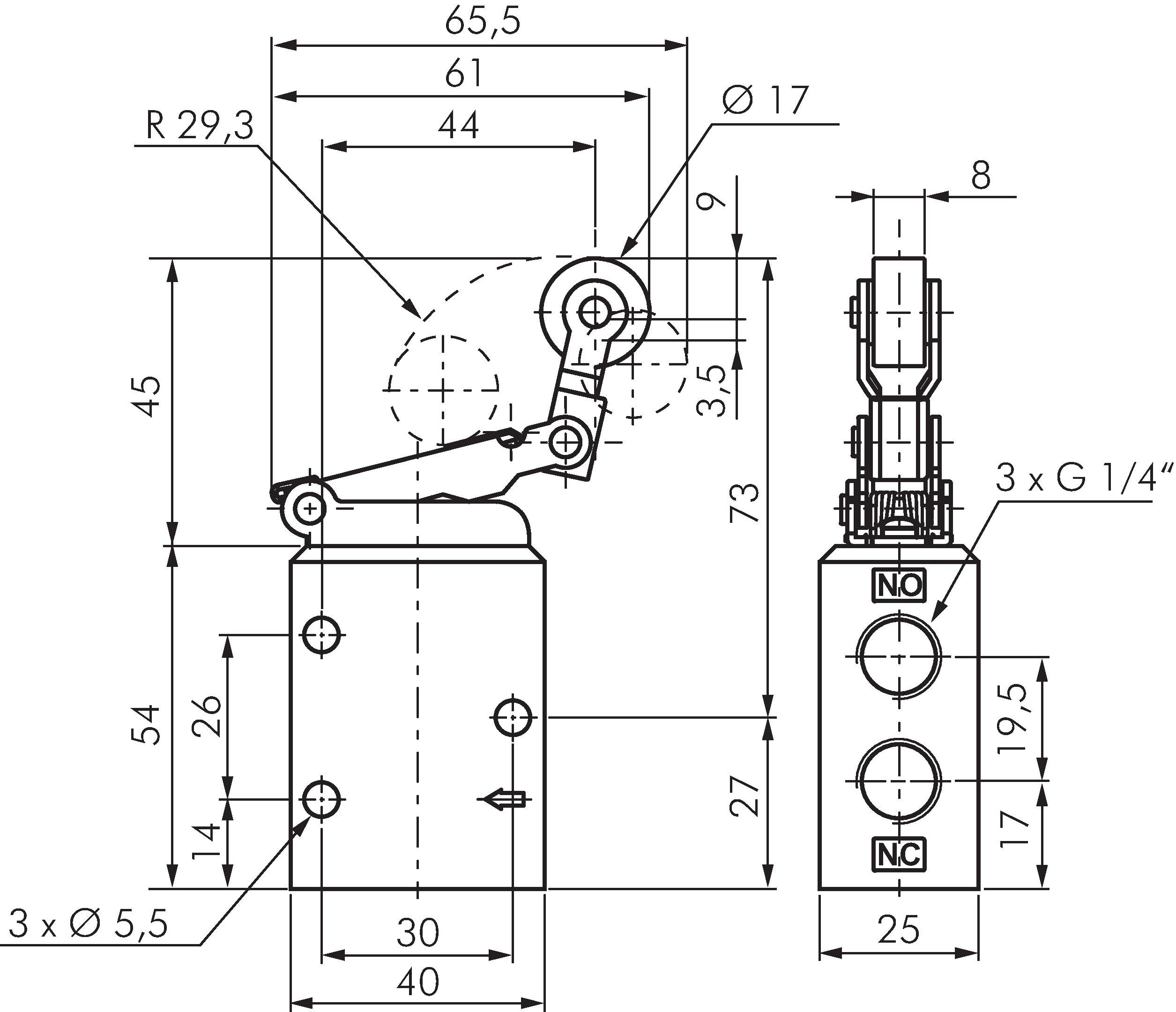
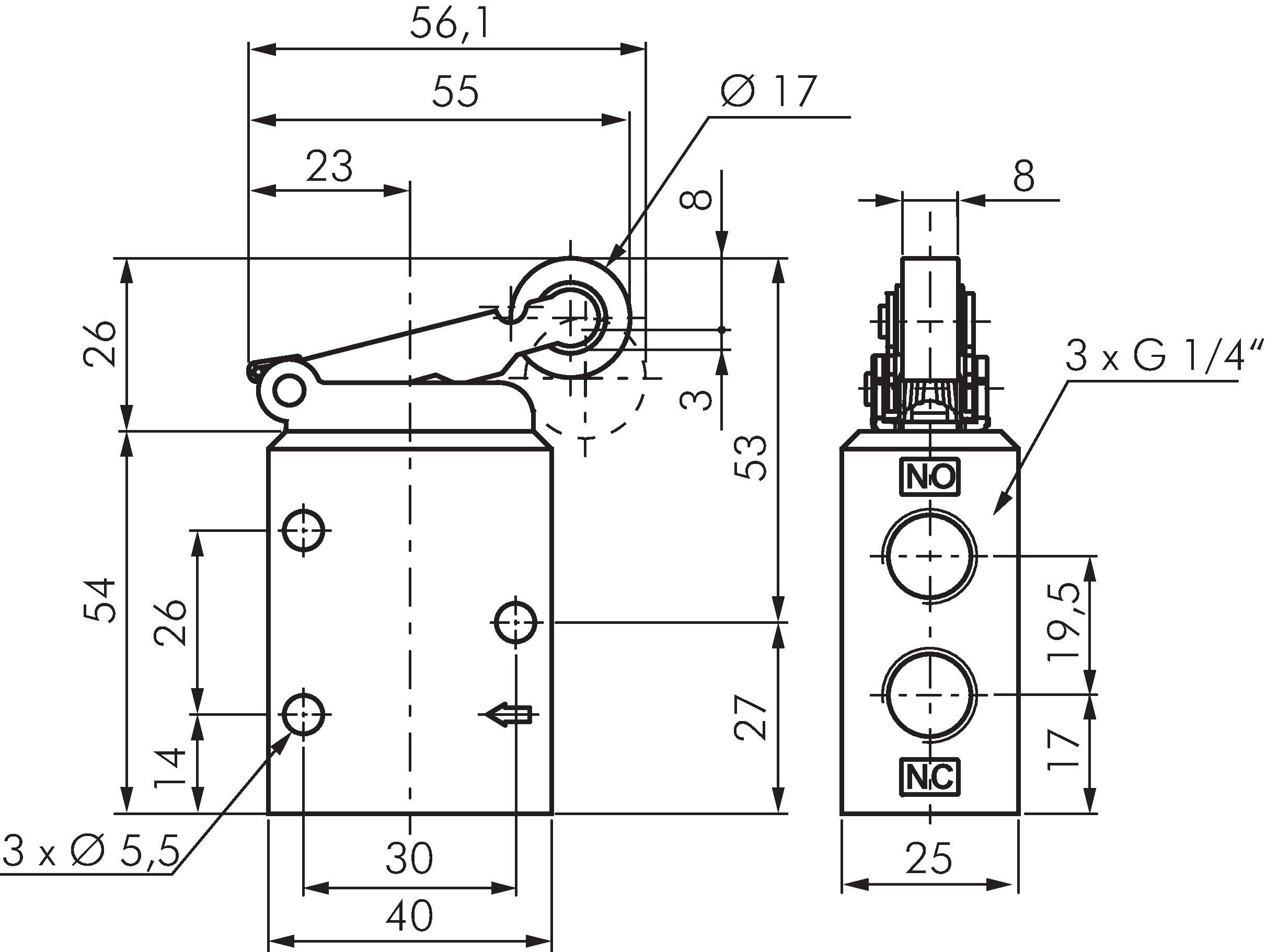
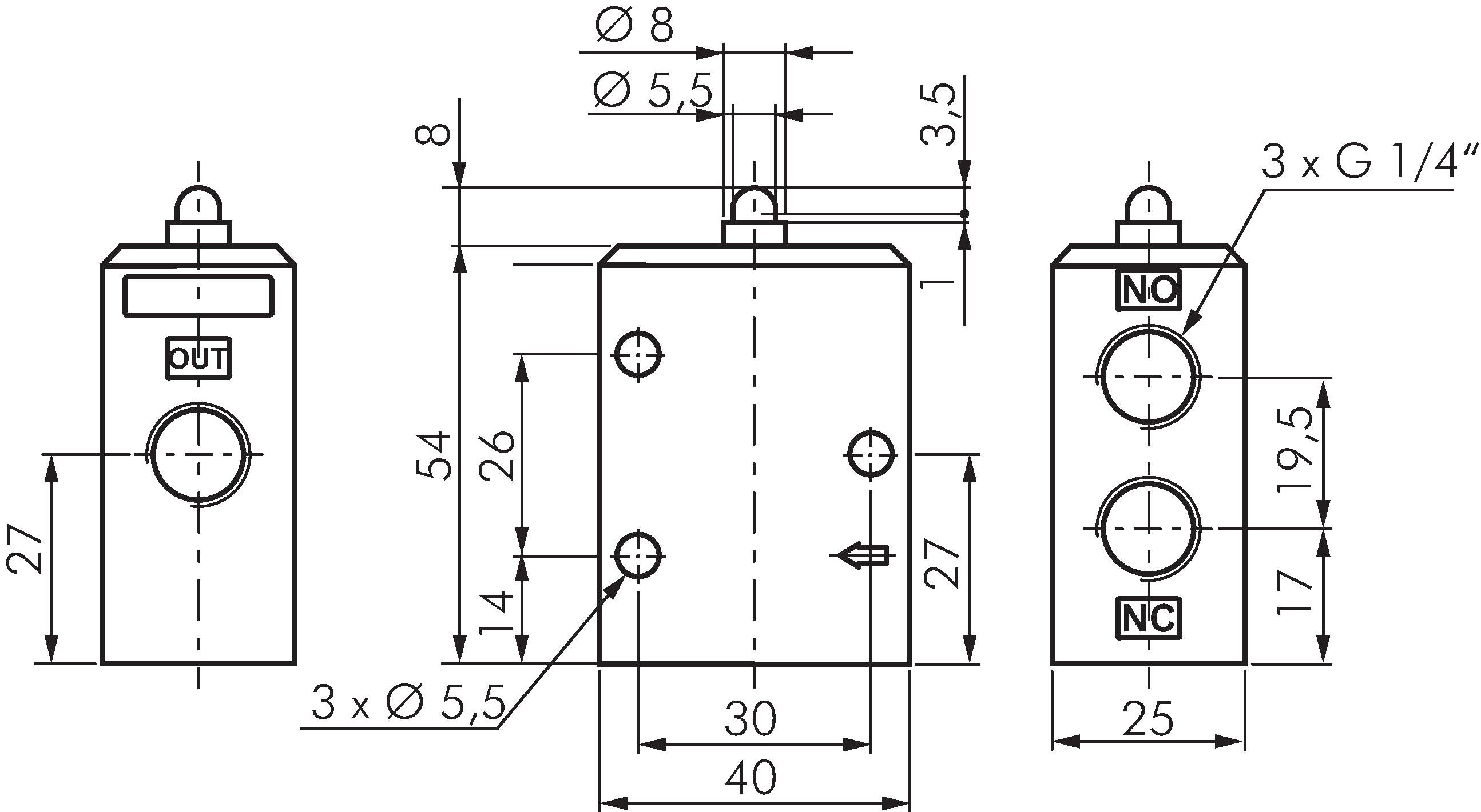
Exemplarische Darstellung: 3/2-Wege Rollenhebelventil (Stahlrolle) Exemplarische Darstellung: 3/2-Wege Nockenventil Exemplarische Darstellung: 3/2-Wege Rollenhebelventil (Kunststoffrolle) Exemplarische Darstellung: 3/2-Wege Leerrücklaufrollenventil (Kunststoffrolle) Exemplarische Darstellung: 3/2-Wege Leerrücklaufrollenventil (Stahlrolle) Schaltsymbol: 3/2-Wege Nockenventil (NC/NO) Schaltsymbol: 3/2-Wege Rollenhebelventil (NC/NO) Schaltsymbol: 3/2-Wege Leerrücklaufrollenlventil (NC/NO)
Zahlungsmöglichkeiten:

Nachnahme

Rechnung