Artikelgruppe

3/2-Wege Pneumatikventile G 1/8", Baureihe SF2000

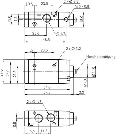
Exemplarische Darstellung: 3/2-Wege Pneumatikventil mit Federrückstellung (NC oder NO) Schaltsymbol: 3/2-Wege Pneumatikventil, Grundstellung geschlossen (NC) Schaltsymbol: 3/2-Wege Pneumatikventil, Grundstellung geöffnet (NO)
Zahlungsmöglichkeiten:

Nachnahme

Rechnung