Artikelgruppe

Drehstrom-Motoren, 1500n / 3000n

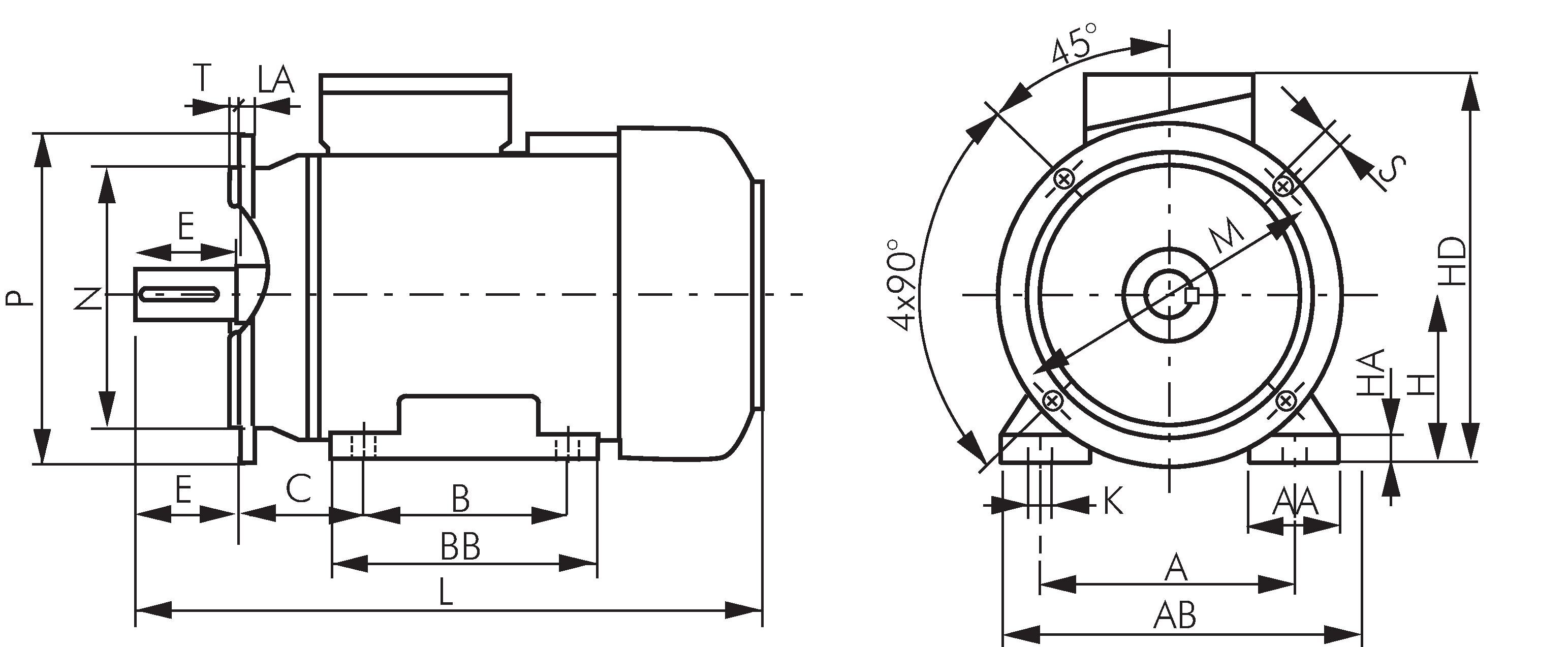
Exemplarische Darstellung: Drehstrom-Elektromotor
Zahlungsmöglichkeiten:

Nachnahme

Rechnung