Artikelgruppe

Druckanzeigen mit Schottgewinde

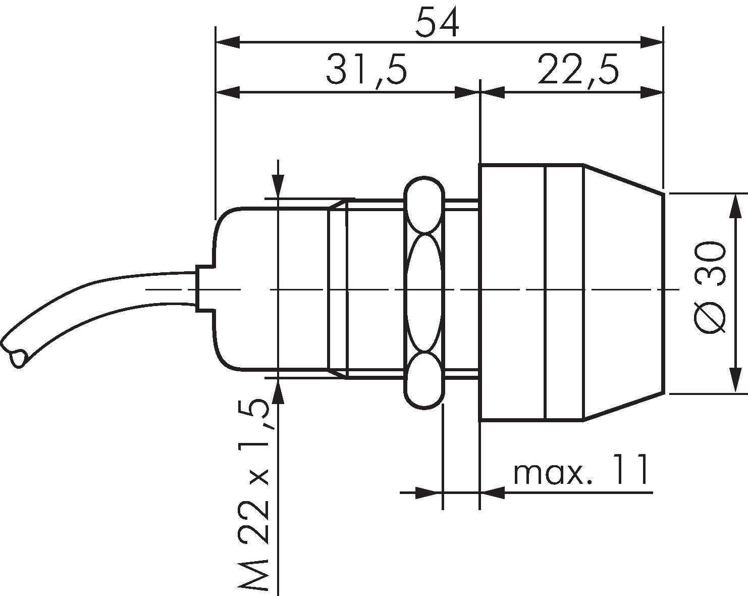
Exemplarische Darstellung: Druckanzeige mit Schottgewinde
Zahlungsmöglichkeiten:

Nachnahme

Rechnung