Artikelgruppe

Füllstandsanzeigen

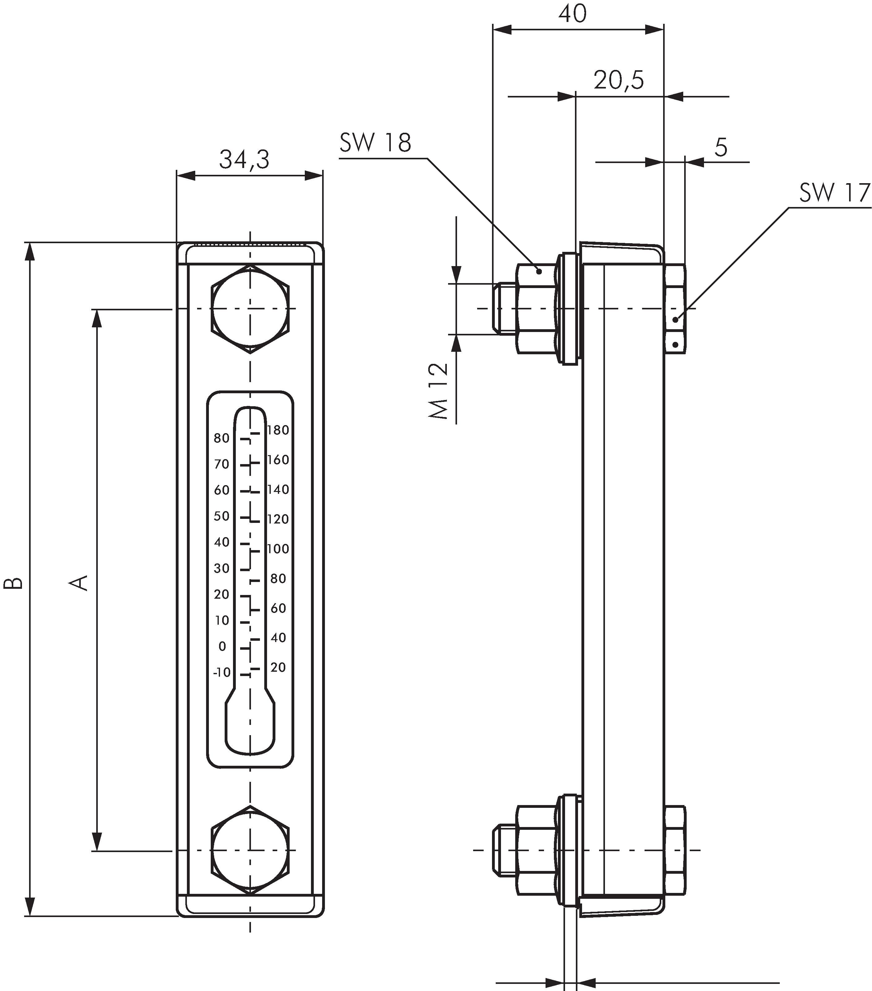
Exemplarische Darstellung: Füllstandsanzeige
Zahlungsmöglichkeiten:

Nachnahme

Rechnung