Artikelgruppe

Fußbefestigungen (vorn oder hinten), für Kompaktzylinder ISO 21287

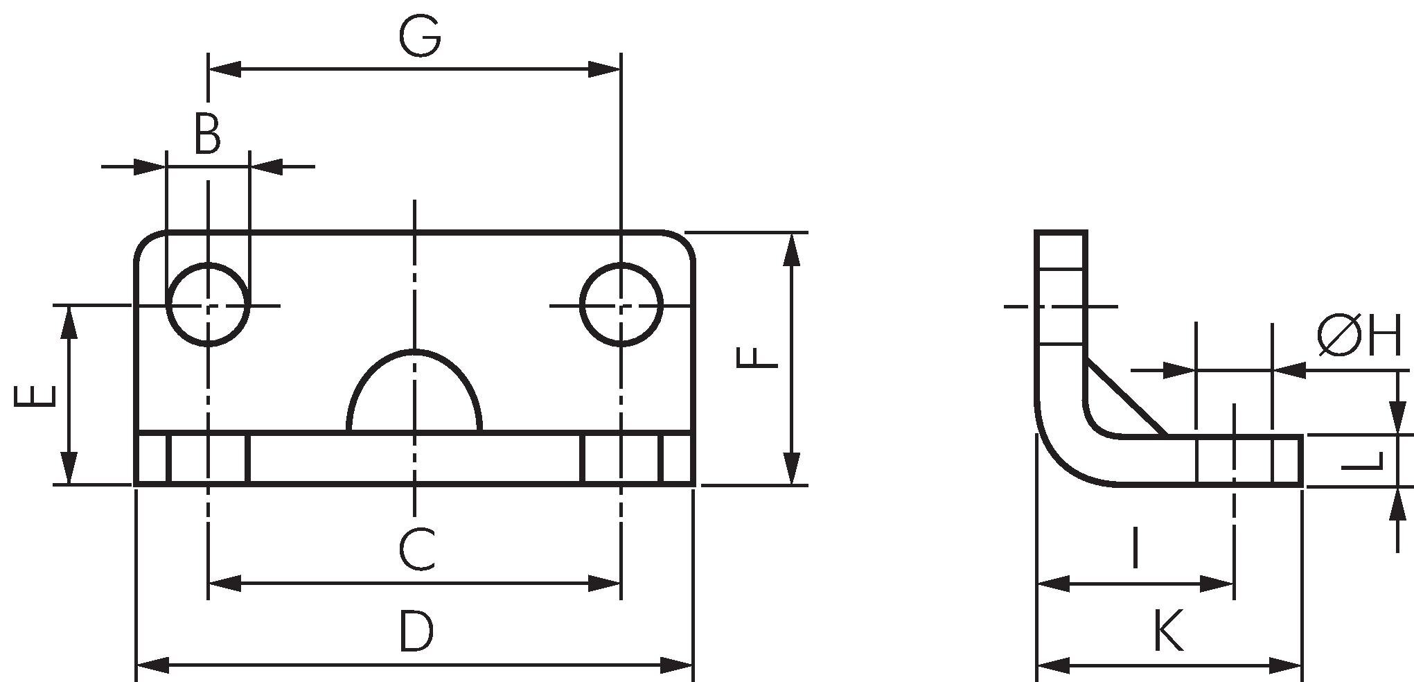
Exemplarische Darstellung: Fußbefestigung (vorn oder hinten), Stahl verzinkt
Zahlungsmöglichkeiten:

Nachnahme

Rechnung