Artikelgruppe

Kompaktzylinder, doppeltwirkend, ISO 21287 (Eco-Line)

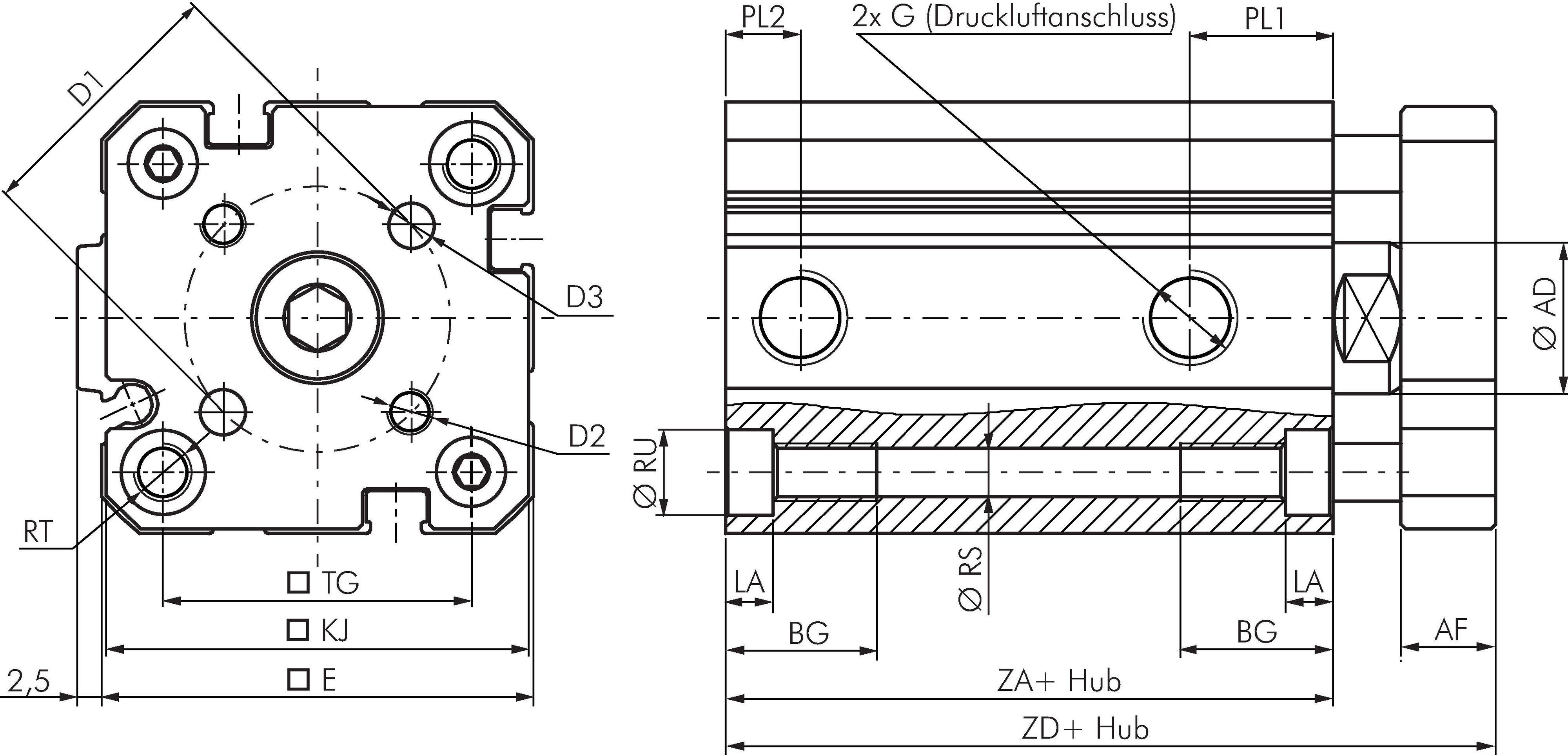
Exemplarische Darstellung: Kompaktzylinder, doppeltwirkend, Standard Exemplarische Darstellung: Kompaktzylinder, doppeltwirkend, Kolbenstange mit Außengewinde Exemplarische Darstellung: Kompaktzylinder, doppeltwirkend, verdrehgesicherte Kolbenstange Schaltsymbol: Standard Schaltsymbol: verdrehgesicherte Kolbenstange
Zahlungsmöglichkeiten:

Nachnahme

Rechnung