Artikelgruppe

Kurzhubzylinder, doppeltwirkend, ND

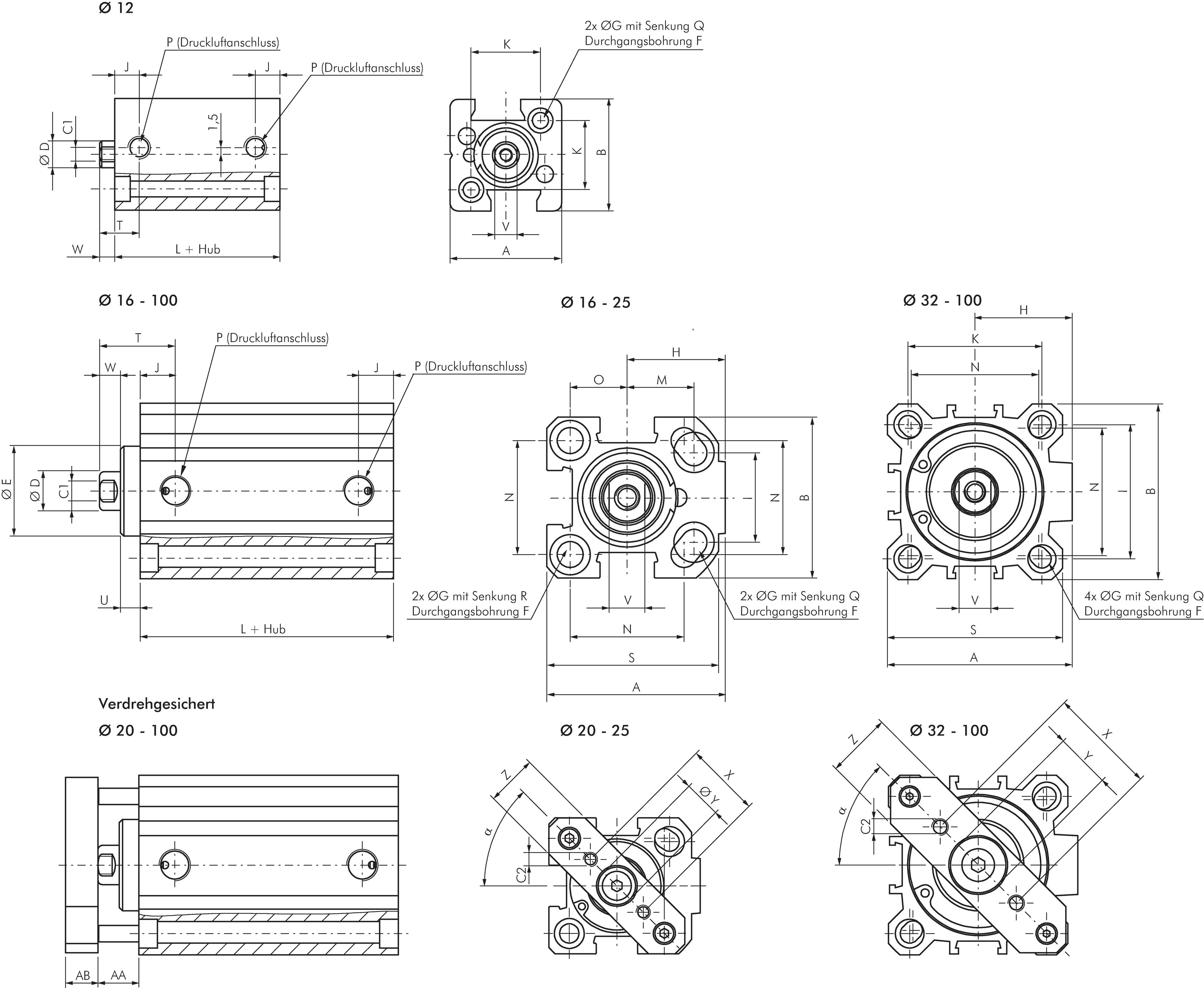
Exemplarische Darstellung: Kurzhubzylinder, doppeltwirkend Schaltsymbol: ohne Magnetkolben Schaltsymbol: mit Magnetkolben
Zahlungsmöglichkeiten:

Nachnahme

Rechnung