Artikelgruppe

Mitten-Schwenkbefestigungen, für Pneumatik-Zylinder ISO 15552 (XL)

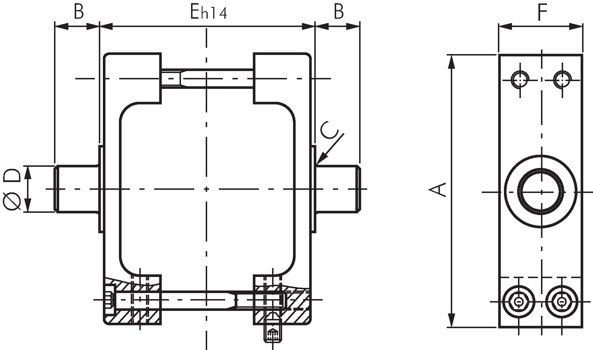
Exemplarische Darstellung: Mitten-Schwenkbefestigung
Zahlungsmöglichkeiten:

Nachnahme

Rechnung