Artikelgruppe

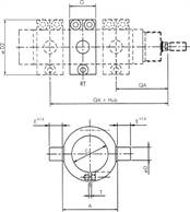
Mitten-Schwenkbefestigungen, für Zylinder ISO 6431 (Auslaufartikel)

Zahlungsmöglichkeiten:

Nachnahme

Rechnung