Artikelgruppe

Saugerhalter

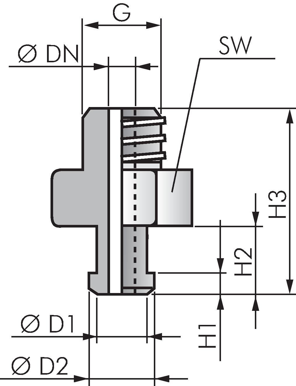
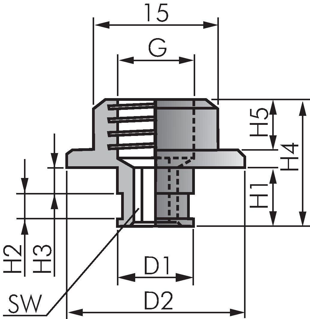
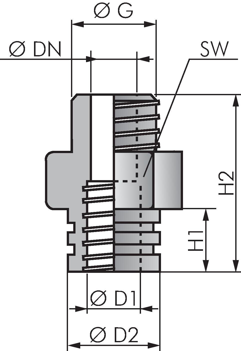
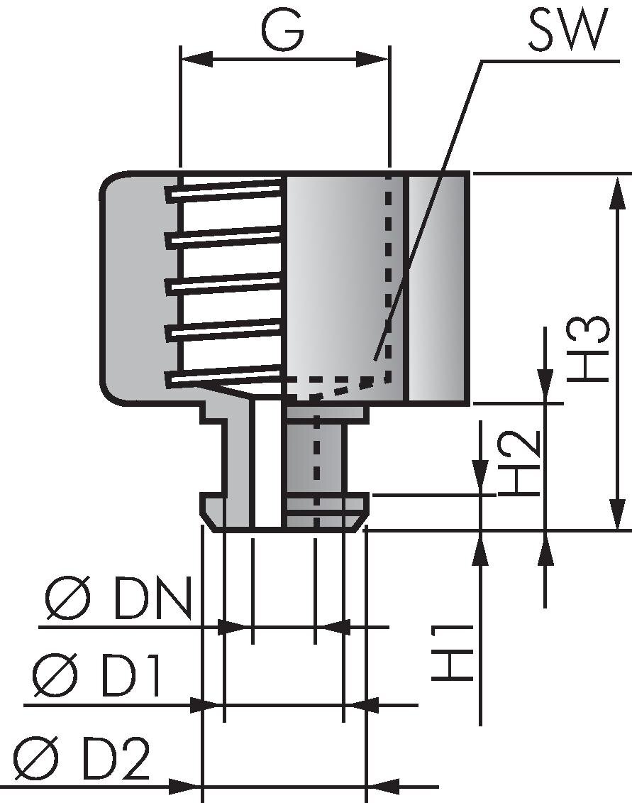
Exemplarische Darstellung: Saugerhalter
Zahlungsmöglichkeiten:

Nachnahme

Rechnung