Artikelgruppe

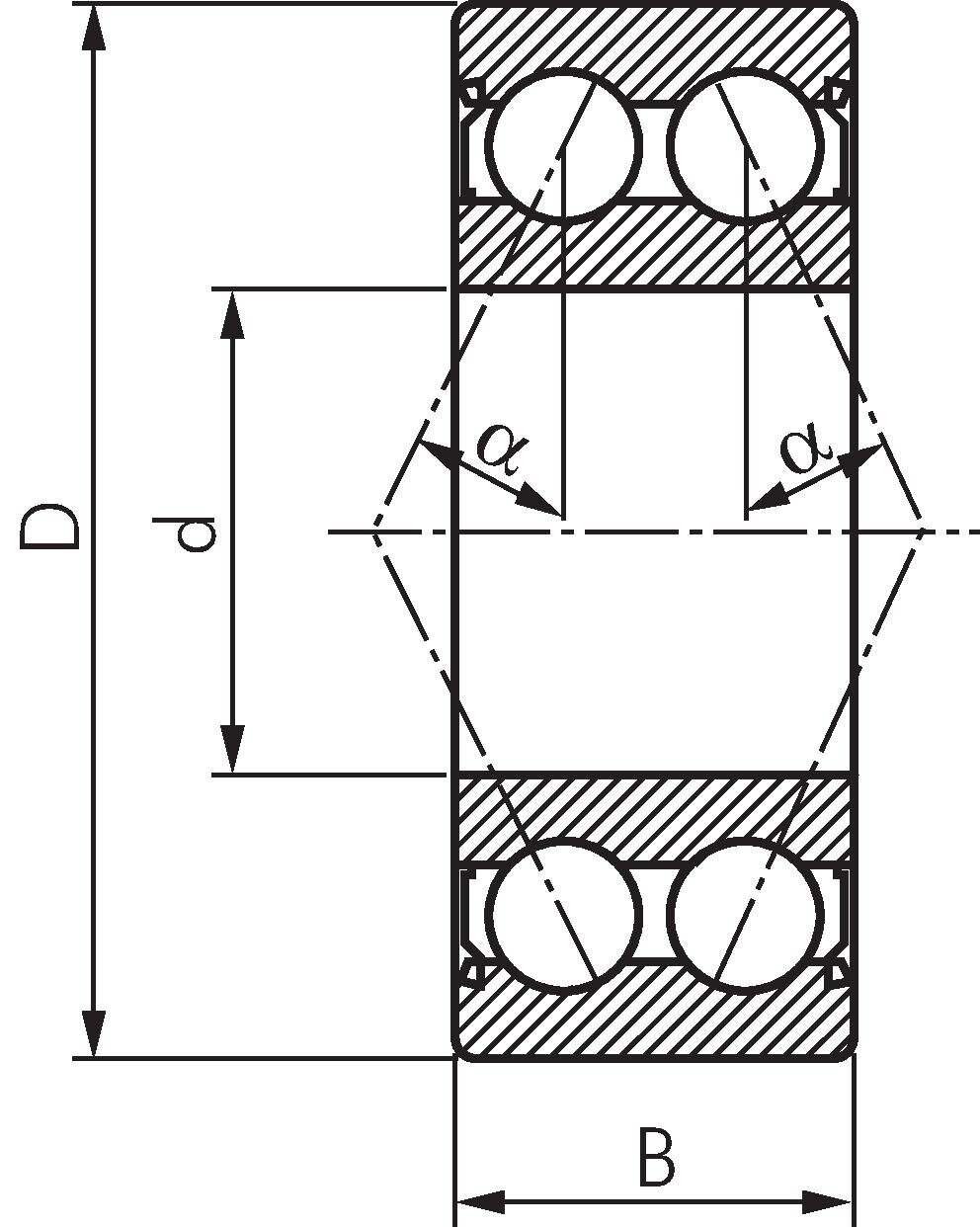
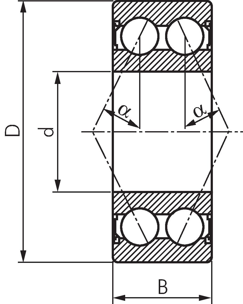
Schrägkugellager, zweireihig, DIN 628

Exemplarische Darstellung: zweireihiges Schrägkugellager DIN 628, offen
Zahlungsmöglichkeiten:

Nachnahme

Rechnung