Artikelgruppe

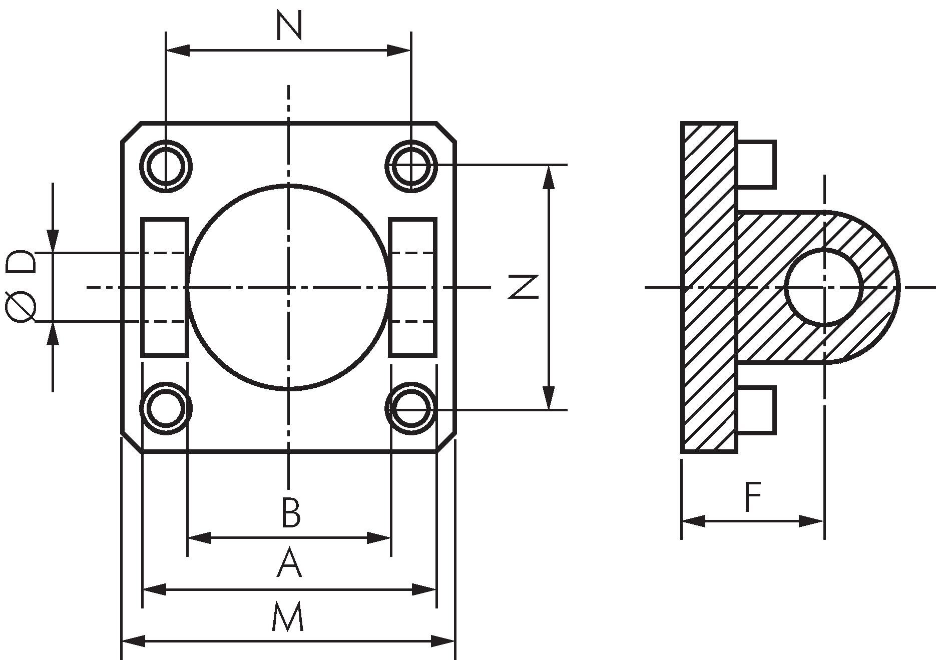
Schwenkbefestigungen Gabel, für Kompaktzylinder ISO 21287

Exemplarische Darstellung: Schwenkbefestigung Gabel für sphärische Lasche
Zahlungsmöglichkeiten:

Nachnahme

Rechnung