Artikelgruppe

Schwenkbefestigungen Lasche, für Pneumatik-Zylinder ISO 15552

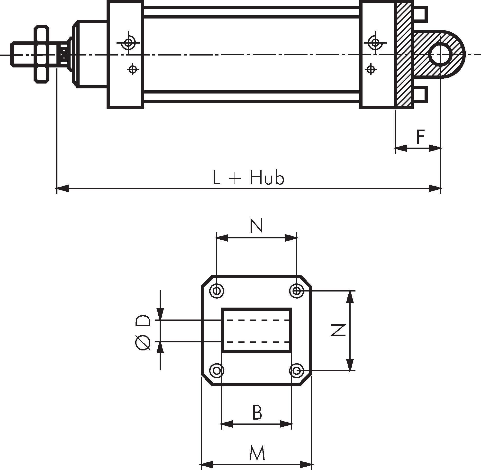
Exemplarische Darstellung: Schwenkbefestigung Lasche für Pneumatikzylinder, Aluminium
Zahlungsmöglichkeiten:

Nachnahme

Rechnung