Artikelgruppe

Schwenkbefestigungen sphärische Lasche, für Kompaktzylinder ISO 21287

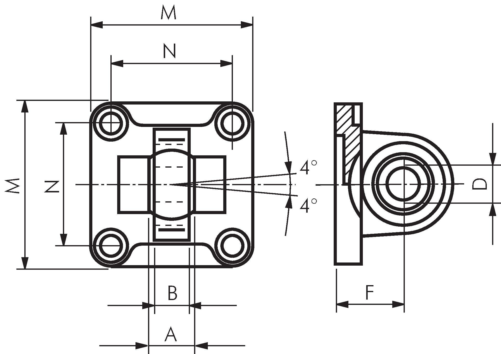
Exemplarische Darstellung: Schwenkbefestigung shärische Lasche, Stahl brüniert
Zahlungsmöglichkeiten:

Nachnahme

Rechnung