Artikelgruppe

Zweihand-Sicherheitsblöcke

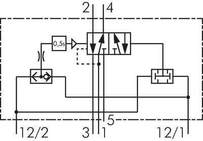
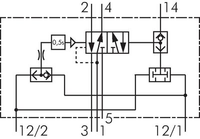
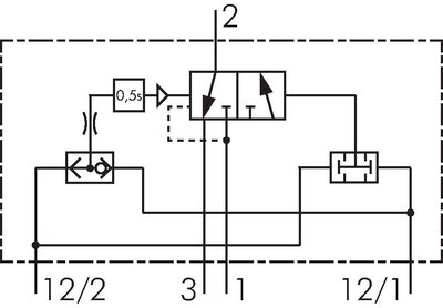
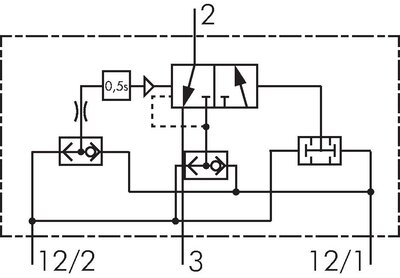
Exemplarische Darstellung: 3/2-Wege Zweihand-Sicherheitsblock (Präzisionsausführung) Exemplarische Darstellung: 3/2-Wege Zweihand-Sicherheitsblock (Standardausführung) Exemplarische Darstellung: 5/2-Wege Zweihand-Sicherheitsblock (Standardausführung) Schaltsymbol: 3/2-Wege Zweihand-Sicherheitsblock SZ 18310 Schaltsymbol: 3/2-Wege Zweihand-Sicherheitsblock SZ 18310 B Schaltsymbol: 5/2-Wege Zweihand-Sicherheitsblock SZ 14510 Schaltsymbol: 5/2-Wege Zweihand-Sicherheitsblock mit Selbsthalte-Anschluss SZS 14510
Zahlungsmöglichkeiten:

Nachnahme

Rechnung