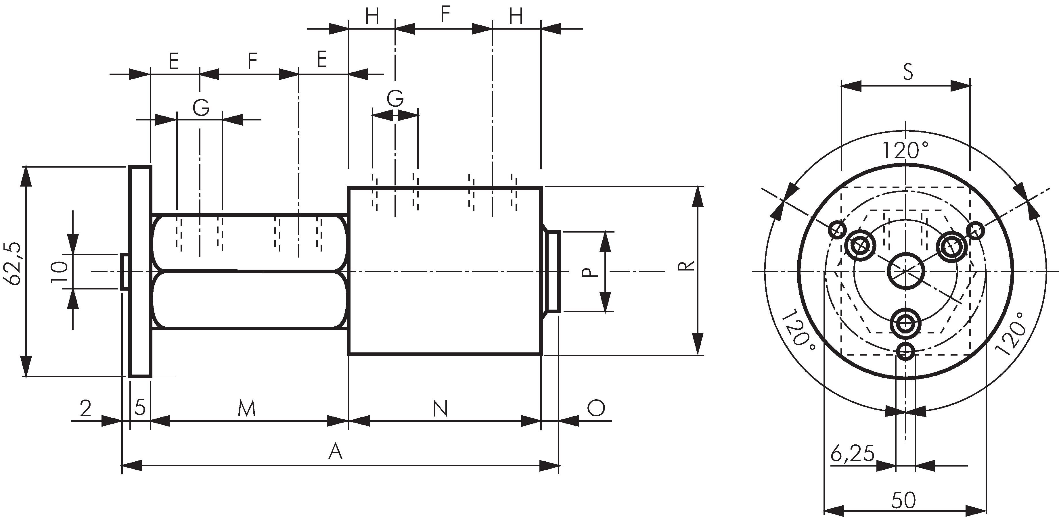
Drehdurchführung 2-fach, G 1/8", Standard

{{ $t('shop.all.artikelnummer') }}:

DDF 18-2

Zubehör

Zahlungsmöglichkeiten:

Nachnahme

Rechnung