Artikelgruppe

Drehdurchführungen, 2-fach, bis 300 min-1

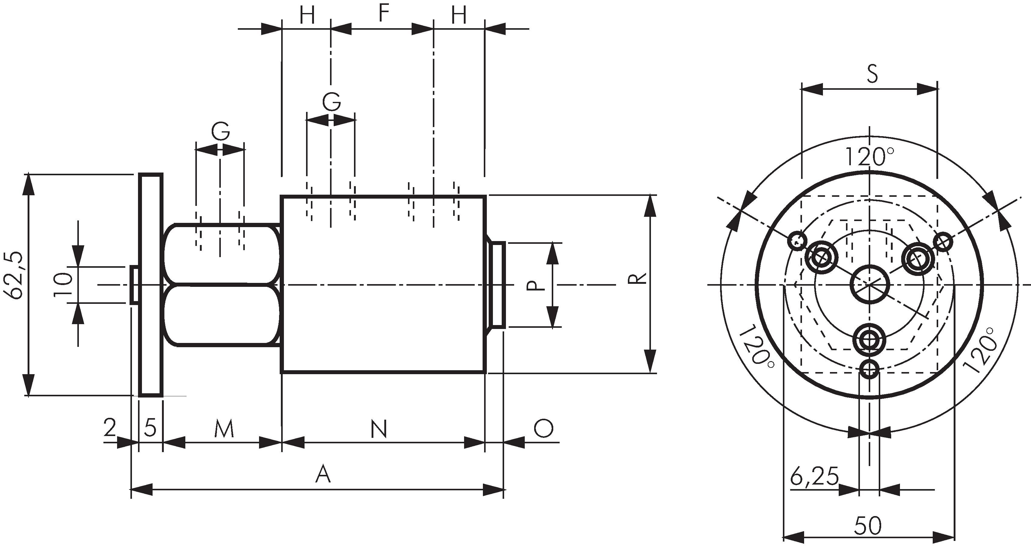
Exemplarische Darstellung: Drehdurchführung, Standard Exemplarische Darstellung: Drehdurchführung, Compact Schaltsymbol: Drehdurchführung, 2-fach
Zahlungsmöglichkeiten:

Nachnahme

Rechnung