Varegruppe

Kompakte drejeborde, EMQ

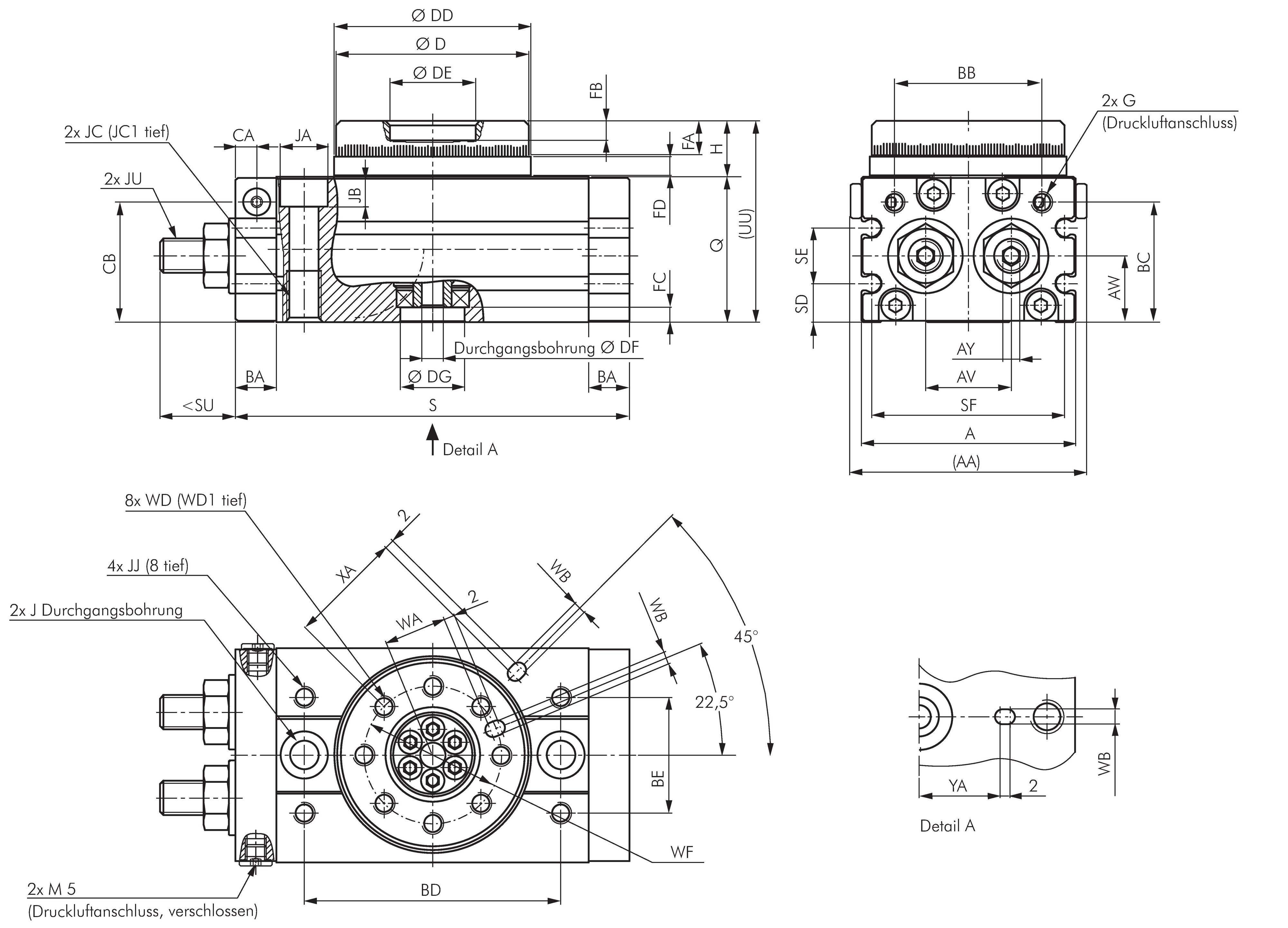
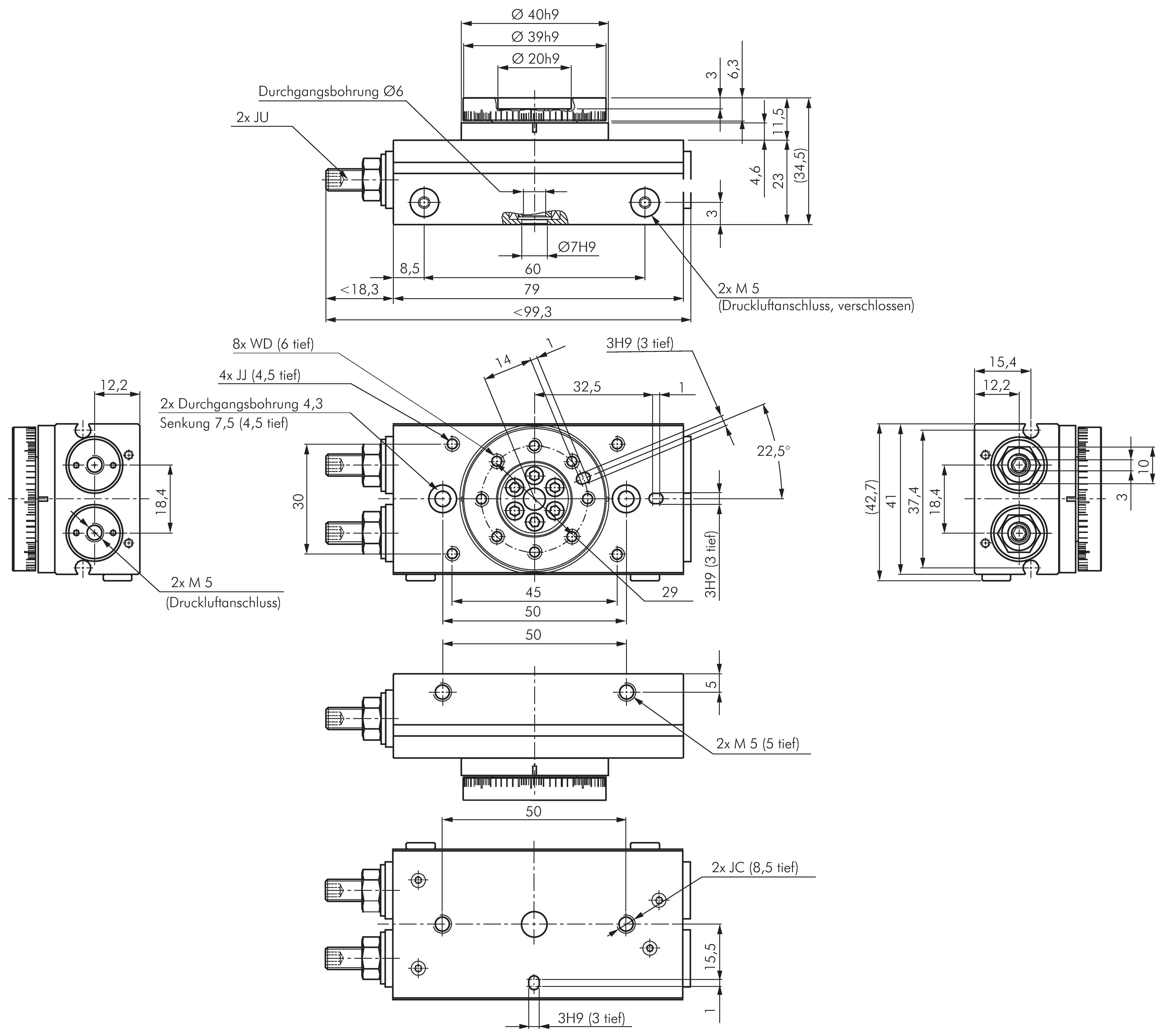
Principskitse: Kompakt drejebord størrelse 7 Principskitse: Kompakt drejebord størrelse 30 Skiftesymbol: Drejebord
Betalingsmuligheder:

Efterkrav

Faktura