Varegruppe

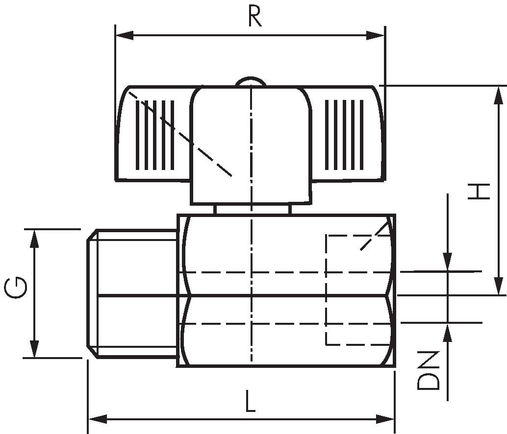
Minikugleventiler med T-greb, PN 15*

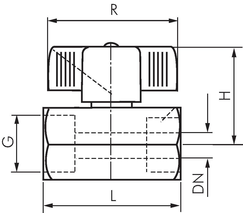
Principskitse: Minikuglehane med indvendigt gevind, vippehåndtag Principskitse: Minikuglehane med indvendigt/udvendigt gevind
Betalingsmuligheder:

Efterkrav

Faktura