Varegruppe

Sikkerhedspositionskontakt

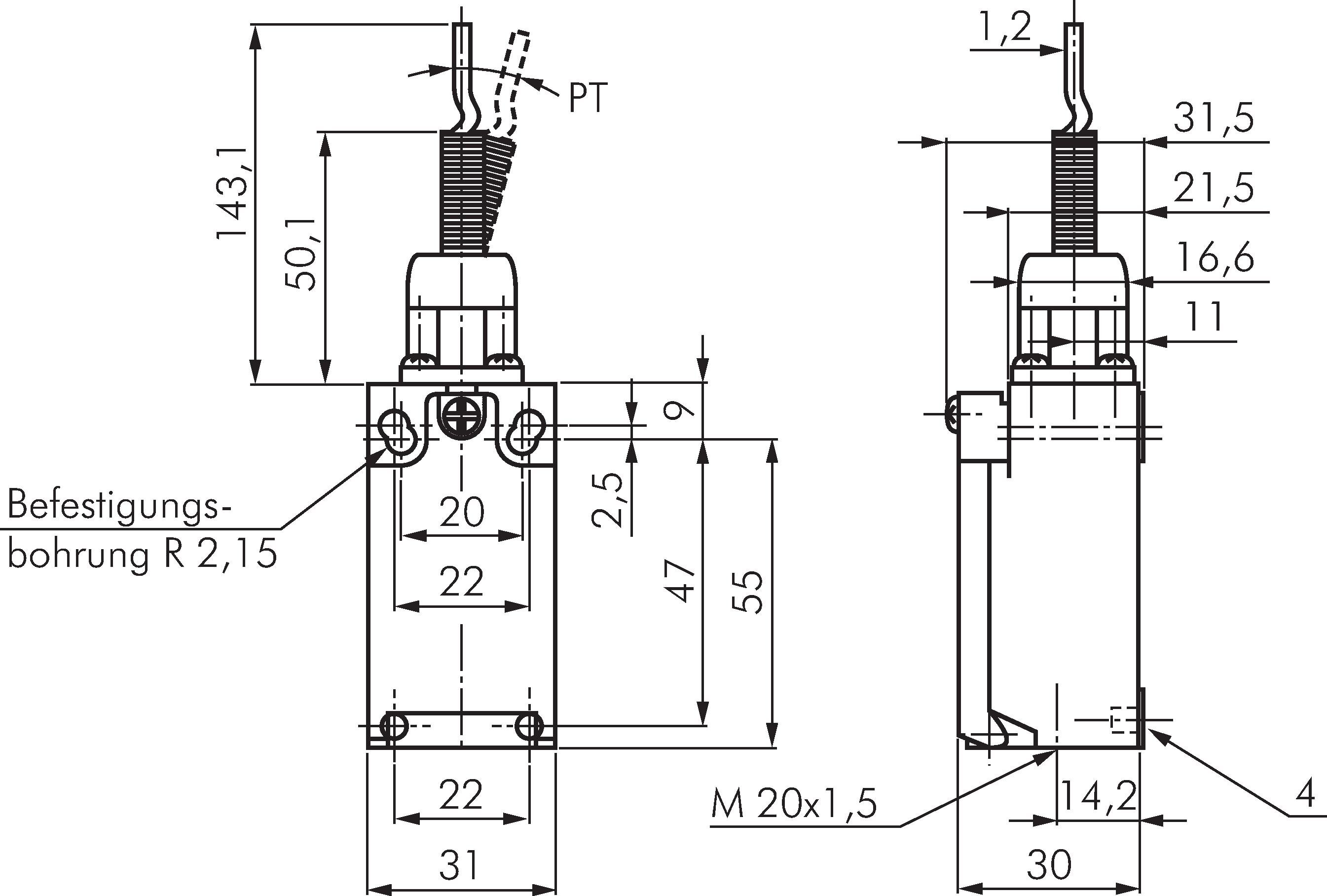
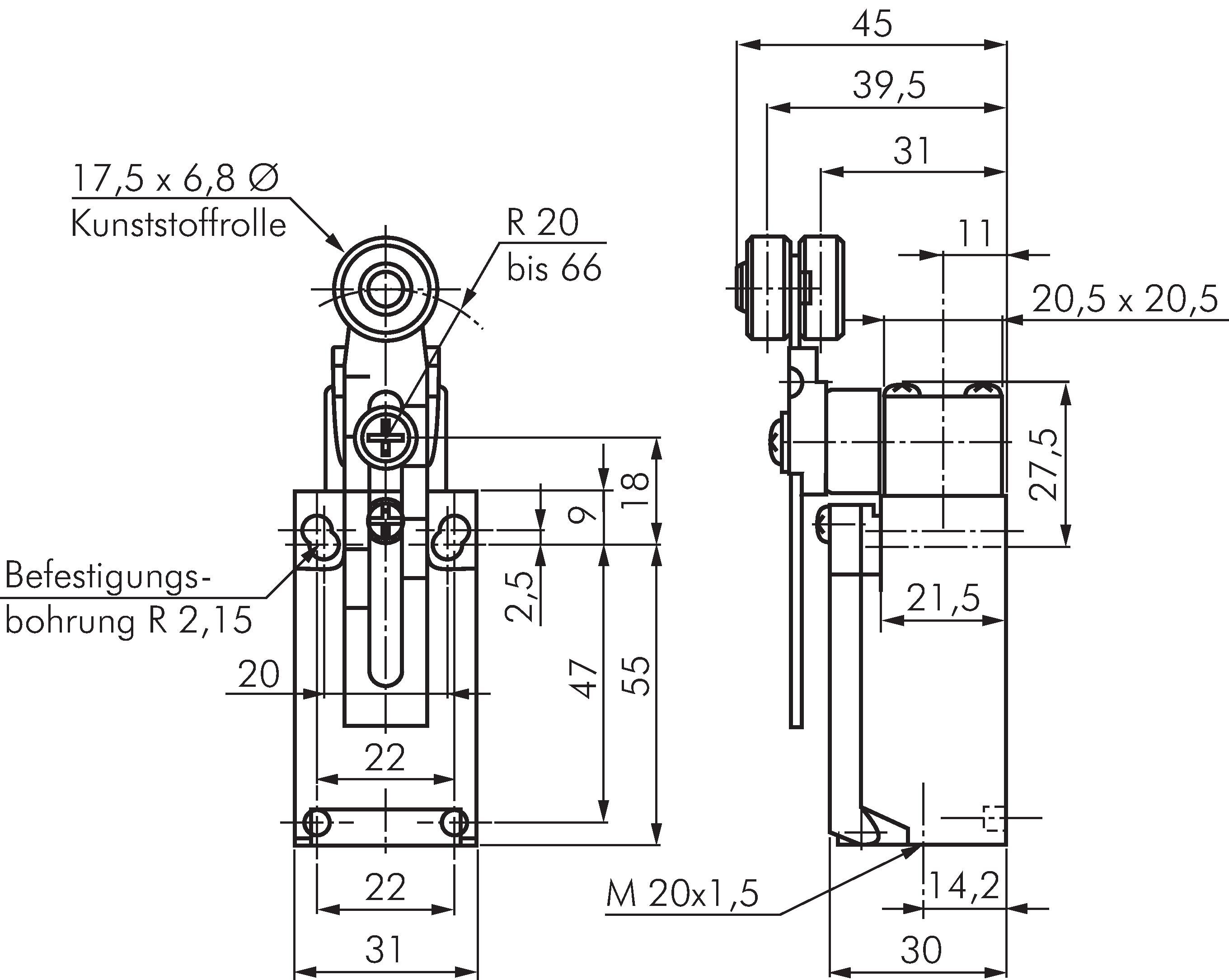
Principskitse: Sikkerhedspositionskontakt, justerbart rullehåndtag Principskitse: Sikkerhedspositionskontakt, knaststempel Principskitse: Sikkerhedspositionskontakt, rullestempel Principskitse: Sikkerhedspositionskontakt, fjerderstav plast Principskitse: Sikkerhedspositionskontakt, rullehåndtag plast Principskitse: Sikkerhedspositionskontakt, fjerderstav rustfrit stål
Betalingsmuligheder:

Efterkrav

Faktura